2018년 1회 설비보전기사 기출문제 (필기시험, 3월 4일 시행)
ExamData 2024. 3. 24. 00:082018년 1회 설비보전기사 필기시험은 수탁 기관인 한국산업인력공단 시행 기능·기술 분야 기사, 산업기사 등급 및 서비스 분야 국가기술자격 정기검정 1회 필기 시험일인 3월 4일에 시행되었습니다.
도타비 문제은행의 설비보전기사 필기 기출문제 모의고사에 수록된 2018년 1회 설비보전기사 필기시험 기출문제 CBT는 회원 가입 등의 번거로운 절차 없이 인터넷 환경에서 PC 또는 모바일 기기 등을 이용하여 문제를 풀고 자동으로 채점한 후 틀린 문제 다시 풀기 등의 추가학습 기능이 탑재되어 있으며, 문제 파일이 첨부되어 있습니다.
도타비 문제은행의 설비보전기사 필기 기출문제 모의고사 CBT에서는 연도별 자격시험 시행 회차별로 분류한 CBT와 랜덤 모의고사를 활용할 수 있습니다.
■ 2018년 1회 설비보전기사 필기 기출문제 CBT 응시, 문제 파일 내려받기 (↓)
2018년 1회 설비보전기사 필기 기출문제 CBT
2018년 1회 설비보전기사
www.gunsys.com
■ 도타비 문제은행 설비보전기사 필기 기출문제 모의고사, CBT (↓)
도타비 문제은행 :: 설비보전기사 필기 기출문제 모의고사, CBT
설비보전기사 필기시험 기출문제 모의고사, CBT
www.gunsys.com
■ 2018년 1회 설비보전기사 필기 기출문제 (↓)

1. 압전체에 힘이 가해질 때 그 힘에 비례하는 전하가 발생하는 피에조(Piezo) 효과를 이용한 센서는?
① 서보 가속도 센서
② 와전류 가속도 센서
③ 압전형 가속도 센서
④ 스트레인 게이지 가속도 센서
2. 고유진동수와 질량 및 강성에 관한 설명 중 옳은 것은?
① 고유진동주파수는 질량과 강성 모두에 비례한다.
② 고유진동주파수는 질량과 강성 모두에 반비례 한다.
③ 고유진동주파수는 질#에는 비례하고 강성에는 반비례한다.
④ 고유진동주파수는 질량에는 반비례하고 강성에는 비례한다.
3. 소리의 성분은 크게 세 가지로 분류하며 이것을 음의 3요소라 한다. 음의 3요소가 아닌 것은?
① 음색
② 공명
③ 음의 높이
④ 음의 세기
4. 다음 필터 중 저역을 통과시키는 필터로 특정 주파수 이상은 감쇠(차단)시켜주는 필터로 가장 적합한 것은?
① 로패스 필터
② 밴드패스 필터
③ 하이패스 필터
④ 주파수 패스 필터
5. 다음 중 조절계의 제어동작에서 입력에 비례하는 크기의 출력을 내는 제어 방식은?
① ON/OFF 제어
② 비례제어
③ 적분제어
④ 미분제어
6. 진폭을 표시하는 파라미터와 가장 거리가 먼 것은?
① 변위
③ 질량
② 속도
④ 가속도
7. 다음 중 진동의 에너지를 표현하는 것에 가장 적합한 값은?
① 편진폭
② 양진폭
③ 실횻값
④ 평균값
8. 진동 방지를 위하여 사용되는 진동 차단기의 기본 요구조건이 아닌 것은?
① 강성이 충분히 커서 차단능력이 있어야 한다.
② 강성은 작되 걸어준 하중을 충분히 견딜 수 있어야 한다.
③ 온도, 습도, 화학적 변화 등에 견딜 수 있어야 한다.
④ 차단하려는 진동의 최저 주파수보다 작은 고유진 동수를 가져야 한다.
9. 다음 중 푸리에 변환의 특징을 설명한 것으로 틀린 것은?
① FFT 분석에서는 항상 양부호(+)의 주파수 성분이 나타난다.
② 충격 신호와 같은 임펄스신호(Impulse Signal)는 푸리에 변환이 불가능하다.
③ 시간 대역이나 주파수 대역에서 유한한 신호는 다른 대역(주파수나 시간)에서 무한한 폭을 갖는다.
④ 어떤 대역에서 주기성을 갖는 규칙적인 신호라 할지라도 다른 대역에서는 불규칙적인 신호로 나타날 수 있다.
10. 시퀀스 제어의 동작을 기술하는 방식 중 조건과 그에 대응하는 조작을 매트릭스 형으로 표시하는 방식은?
① 논리회로(Logic Circuit)
② 플로차트(Flow Chart)
③ 동작선도(Motion Diagram)
④ 디시젼 테이블(Decision Table)
11. 두 개의 다른 금속이 연결되어 있는 부위에 온도차가 주어지면 열기전력이 발생한다. 이것을 무슨 효과라고 하는가?
① 압전효과(Piezoelectric Effect)
② 광기전력효과《Photovoltaic Effect)
③ 제베크효과(Seebeck Effect)
④ 광도전효과(Photo-Conductive Effect)
12. 개의 다른 금속선으로 폐회로를 만들어 열기전력을 발생시키고, 폐회로에 전류가 흐르게 하는 원리를 이용한 온도계는?
① 열전쌍
② 서미스터
③ 볼로미터
④ 광파이버
13. 청감 보정 회로 A, B, C, D 특성 설명 중 틀린 것은?
① A 보정 회로 : 40폰의 등청감 곡선을 이용(55dB 이하)
② B 보정 회로 : 90폰의 등청감 곡선을 이용(75dB 이상 95dB 이하)
③ C 보정 회로 : 85폰의 등청감 곡선을 이용(85dB 이상의 경우 사용)
④ D 보정 회로 : 항공기 소음 측정용으로 PNL 측정에 사용
14. 다음 중 도체의 저항값에 비례하는 것은 어느 것인가?
① 도체의 길이
② 도체의 단면적
③ 도체의 색상
④ 도체의 절연재
15. 다음 중 마스킹(Masking) 효과에 대한 설명으로 틀린 것은?
① 마스킹 효과는 음파의 간섭에 의해서 발생한다.
② 고음이 저음을 잘 마스킹한다.
③ 두 음의 주파수가 거의 같을 때에는 맥동이 생겨 마스킹 효과가 감소한다.
④ 마스킹 효과란 크고 작은 두 개의 소리를 동시에 들을 때, 큰 소리만 듣고 작은 소리는 듣지 못하는 현상을 말한다.
16. 와전류형 비접촉 변위센서가 주로 사용되는 곳은?
① 구름 베어링의 이상 유무를 확인할 때 사용한다.
② 고속 기어의 맞물림 상태를 확인할 때 사용한다.
③ 터빈 축의 회전상태를 확인할 때 사용한다.
④ 구조물의 고유진동수를 측정하고자 할 때 사용 한다.
17. 측정 물체와 비접촉 방식으로 온도를 측정하는 온도계는?
① 압력식 온도계
② 열전 온도계
③ 저항 온도계
④ 방사 온도계
18. 다음 중 회전 속도계를 의미하는 것은?
① 로드 셀(Load Cell)
② 서미스터(Themistor)
③ 태코미터 (Tachometer)
④ 퍼텐쇼미터 (Potentiometer)
19. 아날로그 값을 디지털 값으로 변환하는 것을 무엇이라 하는가?
① D/A 변환기
② A/D 변환기
③ A/A 변환기
④ D/D 변환기
20. 다음 중 소음방지를 위한 기본적인 방법이 아닌 것은?
① 흡음
② 차음
③ 공진
④ 진동 차단
21. 신규 사업의 개발, 현존 사업의 혁신 및 확장에 따른 공장의 증설, 제품의 품종, 설계, 생산 규모를 변경할 경우에 항상 시행하는 것은?
① 예방보전
② 구매계획
③ 설비계획
④ 공사관리
22. 고장, 품목변경에 의한 작업 준비, 금형교체, 예방보전 등의 시간을 뺀 실제 설비가 작동된 시간을 의미하는 것을 무엇이라 하는가?
① 조정시간
② 가동시간
③ 휴지시간
④ 캘린더시간
23. 공사의 완급도를 결정하기 위하여 고려해야 할 판정 기준이 아닌 것은?
① 공사가 지연됨으로써 발생하는 만성 로스의 비용
② 공사가 지연됨으로써 발생하는 생산 변경의 비용
③ 공사를 급히 진행함으로써 발생하는 공수나 재료의 손실
④ 공사를 급히 진행함으로써 발생하는 타 공사의 지연에 따른 손실
24. 다음 중 직접 측정식 계측기가 아닌 것은?
① 스톱워치
② 수온 온도계
③ 게이지블록
④ 마이크로미터
25. 생산량이 많고 표준화되고 작업의 균형이 유지되며 재료의 흐름이 원활한 경우에 많이 이용되는 설비배치 형태는?
① 갱 시스템
② 제품별 배치
③ 기능별 배치
④ 제품 고정형 배치
26. 자본의 효율적 사용을 위해 현재 사용 중인 낡은 기계를 계속 사용하거나 새로운 기계로의 대체 여부를 비교 하여 결정하는 방법은?
① QFD
② MAPI
③ 6sigma
④ PERT/CPM
27. 보전 작업 표준을 설정하기 위한 방법 중 실적 기록에 입각해서 작업의 표준시간을 결정하는 방법은?
① 경험법
② MTM법
③ PTS법
④ 실적 자료법
28. TPM의 5가지 활동 중 보전이 필요 없는 설비를 설계하여, 가능한 빨리 설비의 안전 가동을 위한 활동은 무엇인가?
① 계획 보전 체제의 확립
② 작업자의 자주 보전 체제의 확립
③ 설비의 효율화를 위한 개선 활동
④ MP 설계와 초기 유동 관리 체제의 확립
29. 다음 중 설비의 경제성 평가방법과 가장 거리가 먼 것은?
① 비용비교법
② 평균이자법
③ 연평균 비교법
④ MTBF 분석법
30. 설비관리를 수행할 때 기능적으로 구분하면 일반관리기능, 기술기능, 실시기능 및 지원기능으로 구분할 수 있다. 이때 기술기능에 해당되지 않는 것은?
① 공급망 관리
② 설비성능분석
③ 보전도 향상 연구
④ 설비진단기술 이전 및 개발
31. 시스템을 구성하는 기본적 요소로 ⑴에 들어갈 내용으로 적합한 것은?

① 연산기구
② 제어기구
③ 중앙기구
④ 처리기구
32. 시스템의 잠재적 결함을 조직적으로 규명 및 조사하는 설계기법의 하나로 설비사용자에게도 설비의 지속적인 평가와 개선을 실시할 수 있게 하는 분석 방법은?
① QM 분석
② PM 분석
③ FTA 분석
④ FMECA 분석
33. 부하가 많을 경우에 각 부하전력의 산술합계를 최대 부하로 나눈 것을 무엇이라고 하는가?
① 부하율
② 수요율
③ 부등률
④ 설비 이용률
34. 품질의 불량은 여러 가지 원인에 의하여 발생한다고 볼 수 있다. 불량이 발생하지 않게 하기 위한 활동으로 가장 거리가 먼 것은?
① 설비의 설계개선 및•불량발생 조건 제거
② 인적자원의 교육, 훈련을 통한 다기능공화
③ 원자재 재고의 확보를 통한 자재공급의 안정화
④ 제품, 가공물, 품질특성에 유연하게 대처되는 설비능력 확보
35. 프로세스형 설비의 로스에 대한 설명으로 틀린 것은?
① 고장 로스는 생산준비, 수주 및 조정에 의한 생산 계획상의 로스이다.
② 공구교환 로스는 품목 변화 시 설비공구 등의 교환에 의하여 발생되는 로스이다.
③ 속도 저하 로스는 이론 사이클시간과 실제 사이클시간과의 차이의 로스이다.
④ 계획정지 로스는 연간 보전 계획에 의한 예방보전 또는 정기보전에 의한 휴지시간에 의한 로스 이다.
36. 다음 그림과 같이 사용 중에 성능저하는 별로 되지 않으나 돌발고장에 의한 정지가 발생하며 부분적 교환, 교체에 의하여 복구되는 열화의 형태는?

① 기능저하형
③ 성능저하형
② 기능정지형
④ 성능증가형
37. TPM에서의 설비종합효율을 계산하기 위해서 고려되어야 할 사항 중 가장 거리가 먼 것은?
① 양품률
② 로스율
③ 시간 가동률
④ 성능 가동률
38. 설비의 신뢰성 평가 척도 중 하나로 일정 기간 중 발생하는 단위시간당 고장횟수를 무엇이라고 하는가?
① 고장률
② 보전율
③ 평균고장간격
④ 평균고장시간
39. 만성 로스 개선 방법 중 설비나 시스템의 불합리 현상을 원리 및 원칙에 따라 물리적 성질과 메커니즘을 밝히는 사고방식은?
① FTA
② FMEA
③ PM 분석
④ QM 분석
40. 다음 중 유용성을 설명한 것은?
① 어느 특정 순간에 기능을 유지하고 있는 확률
② 일정 조건에서 일정시간 동안 기능을 고장 없이 수행할 확률
③ 어떤 신뢰성의 대상물에 대해 전 고장수에 대한 전 사용시간의 비
④ 규정된 조건에서 보전이 실시될 때 규정시간 내에 보전이 종료되는 확률
41. 일반적인 혐기성 접착제의 사용 시 주의사항으로 틀린 것은?
① 환기에 유의할 것
② 접착 부분을 깨끗이 할 것
③ 경화가 느리므로 굳은 후 접착할 것
④ 작업 중 신체와 접촉되지 않도록 할 것
42. 다음 중 전동기 본체의 점검 항목이 아닌 것은?
① 이음
② 진동
③ 소손
④ 발열
43. 부하시간에 대한 가동시간의 비율을 나타낸 것은?
① 속도 가동률
② 실질 가동률
③ 성능 가동률
④ 시간 가동률
44. 다음 중 통풍기 및 송풍기의 분류 중 용적형은 어느 것인가?
① 터보팬
② 다익팬
③ 축류 블로어
④ 루츠 블로어
45. 기어 감속기의 분류에서 평행축형 감속기로만 짝지어진 것은?
① 스퍼 기어, 헬리컬 기어
② 웜 기어, 하이포이드 기어
③ 웜 기어, 더블 헬리컬 기어
④ 스퍼 기어, 스트레이트 베벨 기어
46. 기어 손상의 분류에서 표면피로의 주요 원인이 아닌 것은?
①박리
② 스코어링
③ 초기 피칭
④ 파괴적 피칭
47. 다음 측정기 중 강재의 얇은 편으로 된 것으로 작은 홈의 간극 등을 점검하는 데 사용되고 필러게이지라고도 부르는 것은?
① 틈새게이지
② 나사게이지
③ 높이게이지
④ 다이얼게이지
48. 다음 중 선반의 기본적인 가공(절삭)방법에 속하지 않는 것은?
① 외경 절삭
② 널링 가공
③ 수나사 절삭
④ 더브테일 가공
49. 왕복식 압축기와 비교한 원심식 압축기의 단점으로 옳은 것은?
① 윤활이 어렵다.
② 설치 면적이 넓다.
③ 맥동 압력이 있다.
④ 고압 발생이 어렵다
50. 열처리 작업에서 발생되는 폐수 처리 방식이 아닌 것은?
① 시안계 폐수 처리
② 변성로 폐수 처리
③ 크롬산계 폐수 처리
④ 중금속 이온 함유 폐수 처리
51. 다음 중 가는 실선의 용도가 아닌 것은?
① 가상선
② 치수선
③ 중심선
④ 지시선
52. 펌프 운전에서 캐비테이션(Cavitation) 발생 없이 안전하게 운전되고 있는가를 나타내는 척도로 사용되는 것은?
① HP(Horse Power)
② NS(Nonspecific Speed)
③ NPSH(Net Positive Suction Head)
④ MAPI(Machinery and Allied Products Institute)
53. 볼트, 너트의 이완방지 방법이 아닌 것은?
① 로크 너트에 의한 방법
② 자동죔 너트에 의한 방법
③ 볼트를 해머렌치로 조이는 방법
④ 홈달림 너트 분할핀 고정에 의한 방법
54. 축 정렬 작업을 위하여 그림과 같이 다이얼게이지를 설치하고 두 축을 동시에 회전시켜 상하(0º, 180º)를 측정하였더니 10㎛ 눈금의 차이가 발생했다면 두 축의 상하 편심량은?

① 0㎛
② 5㎛
③ 10㎛
④ 20㎛
55. 게이트 밸브라고도 하며 유체의 흐름에 대하여 수직으로 개폐하여 보통 전개, 전폐로 사용하는 밸브는?
① 앵글 밸브
② 체크 밸브
③ 글로브 밸브
④ 슬루스 밸브
56. 다음 단면도 중 주로 대칭인 물체의 중심선을 기준으로 내부 모양과 외부 모양을 동시에 표시하는 것은?
① 온 단면도
② 계단 단면도
③ 부분 단면도
④ 한쪽 단면도
57. 다음 중 용접으로 인해 발생한 잔류 응력을 제거하는 방법으로 가장 적합한 열처리 방법은?
① 뜨임
② 풀림
③ 불림
④ 담금질
58. 다음 압축기의 종류 중 용적형 압축기에 속하는 것은?
① 축류 압축기
② 왕복 압축기
③ 터보 압축기
④ 원심식 압축기
59. 키가 전달할 수 있는 토크 중 크기가 큰 순서대로 바르게 나열한 것은?
① 평키>안장키>묻힘키
② 묻힘키>평키>안장키
③ 묻힘키>안장키>평키
④ 안장키>묻힘키>평키
60. 구름 베어링의 구성 요소 중 회전체 사이에 적절한 간격을 유지하여 마찰을 감소시켜 주는 것은?
① 임펠러
② 마그넷
③ 리테이너
④ 블레이드
61. 스트레이너가 설치되는 장소는?
① 펌프의 흡입부
② 유압 장치의 복귀관
③ 유량제어밸브의 출구 측
④ 유압실린더와 방향제어밸브 사이
62. 유압모터의 토크를 구하는 식으로 옳은 것은? (단, T : 유압모터의 출력 토크[kgf·㎝], q : 유압모터의 1회전당 배출량[㎤/rev], P : 작동유의 압력[kgf/㎠]이다)
① T=qP/2π
② T=2π/qP
③ T=qP/2πN
④ T=2πN/qP
63. 다음 회로의 명칭으로 옳은 것은?

① 인터록 회로
② 카운터 회로
③ 타이머 회로
④ 자기 유지 회로
64. 속도, 전압 등과 같은 제어량에 대해 일정한 희망치를 계속적으로 유지시키는 제어는?
① 논리 제어
② 개회로 제어
③ 피드백 제어
④ 릴레이 시퀀스 제어
65. 다음 중 AND 논리의 공압식 표현이 아닌 것은?

① ⓐ
② ⓑ
③ ⓒ
④ ⓓ
66. 순차적인 작업에서 전 단계의 작업완료 여부를 리밋스위치나 센서 등을 이용하여 확인한 후 다음 단계의 작업을 수행하는 제어는?
① 논리 종속 시퀀스제어
② 동기 종속 시퀀스제어
③ 시간 종속 시퀀스제어
④ 위치 종속 시퀀스제어
67. 유체의 성질에 관련된 용어의 정의로 옳은 것은?
① 유체의 밀도는 단위 중량당 체적이다.
② 유체의 비중량은 단위 체적당 질량이다.
③ 유체의 비체적은 단위 체적당 중량이다.
④ 비중은 물체의 밀도를 순수한 물의 밀도로 나눈 것이다.
68. 위치 데이터를 서보 오프 상태에서 수동 조작하여 위치를 확인한 후 데이터를 입력하는 제어 방법은?
① 서보 레디(Servo Ready)
② 직선보간(Linear Interpolation)
③ 포인트 투 포인트(Point to Point)
④ 티칭 플레이 백(Teaching Play Back)
69. 유압 동조 회로에 대한 방법으로 틀린 것은?
① 유압모터에 의한 방법
② 방향 제어 밸브에 의한 방법
③ 유량 제어 밸브에 의한 방법
④ 유압실린더를 직렬로 접속하는 방법
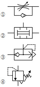
70. 다음 밸브 기호 중 실린더의 속도를 급속히 증가시키는 목적으로 사용하는 것은?

71. 센서로부터 입력되는 제어 정보를 분석·처리하여 필요한 제어 명령을 내려주는 장치인 제어 신호 처리 장치의 명칭은?
① 네트워크
② 프로세서
③ 하드웨어
④ 액추에이터
72. 3상 유도전동기의 슬립을 구하는 식으로 옳은 것은?
① 슬립=((동기속도+전부하속도)/동기속도)×100%
② 슬립=((동기속도-전부하속도)/동기속도)×100%
③ 슬립=((전부하속도+동기속도)²/동기속도)×100%
④ 슬립=((전부하속도-동기속도)²/동기속도)×100%
73. PLC에서 출력 신호는 존재하는데, 공압 실린더가 움직이지 않을 때, 그 원인으로 적절하지 않은 것은?
① 전선이 단선되어 있다.
② 밸브의 솔레노이드가 소손되었다.
③ 공기 중에 수분 함유량이 보통보다 적다.
④ 공급압력이 게이지 압력으로 0bar를 지시하고 있다.
74. 다음 설명에 해당하는 이론은?
에너지의 손실이 없다고 가정할 경우, 유체의 위치 에너지, 속도 에너지, 압력 에너지의 합은 일정하다.
① 연속의 법칙
② 베르누이 정리
③ 파스칼의 원리
④ 보일-샤를의 법칙
75. 공기압 작업 요소의 설명 중 틀린 것은?
① 격판 실린더는 격판에 부착된 피스톤로드가 미끄럼 실링되어 있다.
② 회전 실린더는 피니언과 랙 구조를 이용하여 회전 운동을 할 수 있다.
③ 탠덤 실린더는 2개의 복동 실린더가 1개의 실린더 형태로 된 것이다.
④ 다위치 제어 실린더는 2개 또는 그 이상의 복동 실린더로 구성된다.
76. 고장이 발생하지 않도록 설비를 설계, 제작, 설치하여 운용하는 보전방법은?
① 개량 정비
② 사후 정비
③ 예방 정비
④ 보전 예방
77. 공압 발생장치에 포함되지 않는 것은?
① 냉각기
② 압축기
③ 증압기
④ 에어탱크
78. 다음 중 출력이 가장 큰 제어 방식은?
① 기계 방식
② 유압 방식
③ 전기 방식
④ 공기압 방식
79. 펌프에서 소음이 발생하는 원인으로 옳은 것은?
① 펌프 출구에서 공기의 유입
② 펌프의 속도가 지나치게 느림
③ 유압유의 점도가 지나치게 낮음
④ 입구 관로의 연결이 헐겁거나 손상됨
80. 유압의 압력 제어 밸브에 속하지 않는 것은?
① 리듀싱 밸브
② 시퀀스 밸브
③ 언로딩 밸브
④ 디셀러레이션 밸브
81. 순환급유를 하는 윤활개소의 유욕조를 관찰해보니 거품이 많이 발생하였다. 어떤 첨가제가 부족할 때 이러한 현상이 나타나는가?
① 유화제
② 소포제
③ 부식방지제
④ 산화 방지제
82. 윤활유의 적정 점도를 선정하려고 할 때 고려사항으로 가장 거리가 먼 것은?
① 운전속도
② 운전온도
③ 운전하중
④ 윤활유의 수명
83. 윤활유의 성질 중 액체가 유동할 때 나타나는 내부 저항을 의미하는 것은?
① 점도
② 중화가
③ 동판부식
④ 산화 안정도
84. 액체 윤활에 비해 그리스 윤활의 장점으로 옳은 것은?
① 누설이 많다.
② 냉각작용이 크다.
③ 급유 간격이 짧다.
④ 밀봉효과가 좋아 먼지 등의 침입이 적다.
85. 생산성 향상을 위한 윤활관리의 효과로 볼 수 없는 것은?
① 윤활 사고의 방지
② 보수 유지비의 절감
③ 동력비 및 윤활비의 증가
④ 기계 정도와 기능의 유지
86. 스퍼 기어, 헬리컬 기어, 베벨 기어 등 밀폐식 기어 장치의 급유법으로 가장 적합한 것은?
① 손급유
② 순환급유
③ 적하급유
④ 도포급유
87. 오일의 산화, 열화, 이물질 혼입 등으로 인하여 재생작업을 하고자 한다. 다음 중 물리적 재생 방법에 속하는 것은?
① 여과법
② 정치침전법
③ 백토처리법
④ 원심분리방법
88. 그리스의 시험방법에 관한 내용이다. ( ) 안에 알맞은 내용은?
( )은(는) 반고체 상태에서 그리스가 액체 상태로 전환되는 최초의 온도로서 그리스의 내열성과 사용된 증주제의 종류를 확인하기 위하여 시험한다.
① 점도
② 적점
③ 주도
④ 이유도
89. 윤활유에 사용하는 첨가제의 일반적인 성질로 틀린 것은?
① 증발이 많아야 한다.
② 기유에 용해도가 좋아야 한다.
③ 다른 첨가제와 잘 조화되어야 한다.
④ 첨가제는 수용성 물질에 녹지 않아야 한다.
90. 윤활제의 급유법 중 직립형 수력 터빈의 추력 베어링에 많이 사용하는 방법으로 마찰면이 기름 속에 잠겨서 윤활하는 방법은?
① 원심 급유법
② 유욕 급유법
③ 칼라 급유법
④ 버킷 급유법
91. 자동차 내연기관용 엔진이나 트랜스미션 및 베어링용 기어유는 일반적으로 어떤 규격을 사용하는가?
① API(미국석유협회)
② ISO(국제표준화기구)
③ SAE(미국자동차기술자협회)
④ ASME(미국기계기술자협회)
92. 베어링 윤활의 목적으로 틀린 것은?
① 마찰에 의한 발열을 상승시킨다.
② 마모를 막고 베어링 수명을 연장시킨다.
③ 금속류의 직접 접촉에 의한 소음을 막는다.
④ 윤활유를 사용하여 먼지 또는 이물질의 침입을 방지한다.
93. 다음 중 윤활유의 작용이 아닌 것은?
① 냉각 작용
② 밀봉 작용
③ 감마 작용
④ 응력 집중 작용
94. 윤활유의 열화를 방지하기 위한 방법으로 틀린 것은?
① 고온을 가능한 피한다.
② 협잡물 혼입 시는 신속히 제거한다.
③ 신기 계 도입 시 충분한 세척을 한 후 사용한다.
④ 윤활유 교환 시 열화유와 새로운 오일을 섞어서 교환한다.
95. 나프텐계와 비교한 파라핀계 윤활 기유의 특성으로 틀린 것은?
① 휘발성이 높다.
② 점도지수가 높다.
③ 산화 안정성이 높다.
④ 인화점, 발화점이 높다.
96. 윤활 설비의 고장원인 중 환경적인 요인으로 보기 어려운 것은?
① 급유작업의 부주의
② 전도열이 높은 경우
③ 기온에 의한 현저한 온도변화
④ 마찰면의 방열이 불충분한 경우
97. 윤활관리 기술자가 담당해야 할 직무로 볼 수 없는 것은?
① 윤활유의 제조
② 사용 윤활유의 선정 및 관리
③ 윤활 관계 작업원이 교육 훈련
④ 급유 장치의 보수 및 예비품 준비
98. 압축기의 내부 윤활유의 요구 성능으로 가장 거리가 먼 것은?
① 부식 방지성이 좋을 것
② 적정한 점도를 가질 것
③ 열, 산화 안정성이 양호할 것
④ 생성 탄소가 경질이고 제거가 어려울 것
99. 윤활관리에 있어서 윤활유의 산호(Oxidation)는 윤활유의 수명을 단축하는 결정적인 요인이 된다. 다음 중 윤활유 산화에 직접적인 영향을 미치는 것이 아닌 것은?
① 산소
② 온도
③ 금속촉매
④ 동질의 윤활유
100. 그리스는 증주제의 종류에 따라 대단히 다른 성질을 나타내므로, 사용조건에 따라 그리스의 종류를 결정한 후 적정 주도를 결정한다. 다음 중 일반적으로 수분과의 접촉이 빈번한 곳에서 사용이 부적합한 증주제는?
① Ca
② Na
③ Al
④ Li
'ExamData' 카테고리의 다른 글
| 2024년 한국산업인력공단 시행 42회 문화재수리기술자(조경) 1차 시험 가답안 (3월 23일 시행) (0) | 2024.03.24 |
|---|---|
| 2023년까지 시행한 용접산업기사 자격검정 현황, 필기시험 기출문제 CBT (0) | 2024.03.24 |
| 2023년까지 시행한 위험물산업기사 자격검정 현황, 필기시험 기출문제 CBT (0) | 2024.03.23 |
| 2023년까지 시행한 자동차정비산업기사 자격검정 현황, 필기시험 기출문제 CBT (0) | 2024.03.23 |
| 2023년까지 시행한 전기공사산업기사 자격검정 현황, 필기시험 기출문제 CBT (0) | 2024.03.23 |






