2019년 4회 설비보전기사 기출문제 (필기시험, 9월 21일 시행)
ExamData 2024. 3. 24. 19:242019년 4회 설비보전기사 필기시험은 수탁 기관인 한국산업인력공단 시행 기능·기술 분야 기사, 산업기사 등급 및 서비스 분야 국가기술자격 정기검정 4회 필기 시험일인 9월 21일에 시행되었습니다.
도타비 문제은행의 설비보전기사 필기 기출문제 모의고사에 수록된 2019년 4회 설비보전기사 필기시험 기출문제 CBT는 회원 가입 등의 번거로운 절차 없이 인터넷 환경에서 PC 또는 모바일 기기 등을 이용하여 문제를 풀고 자동으로 채점한 후 틀린 문제 다시 풀기 등의 추가학습 기능이 탑재되어 있으며, 문제 파일이 첨부되어 있습니다.
도타비 문제은행의 설비보전기사 필기 기출문제 모의고사 CBT에서는 연도별 자격시험 시행 회차별로 분류한 CBT와 랜덤 모의고사를 활용할 수 있습니다.
■ 2019년 4회 설비보전기사 필기 기출문제 CBT 응시, 문제 파일 내려받기 (↓)
2019년 4회 설비보전기사 필기 기출문제 CBT
2019년 4회 설비보전기사
www.gunsys.com
■ 도타비 문제은행 설비보전기사 필기 기출문제 모의고사, CBT (↓)
도타비 문제은행 :: 설비보전기사 필기 기출문제 모의고사, CBT
설비보전기사 필기시험 기출문제 모의고사, CBT
www.gunsys.com
■ 2019년 4회 설비보전기사 필기 기출문제 (↓)

1. 다음 중 면적식 유량계의 특징으로 틀린 것은?
① 압력 손실이 크고 전후의 직관부가 필요하다.
② 기체, 액체를 측정할 수 있고 부식성 유체도 측정이 가능하다.
③ 액체 중에 기포가 들어가면 오차가 생기므로 기포 빼기가 필요하다.
④ 유리관식은 기계적 강도, 내충격성이 약하므로 배관의 무게를 직접 받지 않고 유체가 역류되지 않도록 주의해야 한다.
2. 아래 그림은 설치대로부터 강체로 진동이 전달되는 1자유도 진동시스템을 나타낸 것이다. 이때 변위전달률을 바르게 나타낸 것은?

3. 소음 방지법 중 흡음에 관련된 내용으로 틀린 것은?
① 직접소음은 거리가 2배 증가함에 따라 6dB 감소한다.
② 소음원에 가까운 거리에서는 반사음보다 직접음에 의한 소음이 압도적이다.
③ 흡음판은 벽이나 천장에 직접 부착시킬 수 없어, 백스페이스를 두고 연 1회 설치한다.
④ 흡음재의 내구성 부족 시 유공판으로 보호해야 하며 이때 개공률과 구멍의 크기 및 배치가 중요하다.
4. 신호 변환기 중 전기 신호 방식의 특징이 아닌 것은?
① 응답이 빠르고 전송지연이 거의 없다.
② 전송거리의 제한을 받지 않고 컴퓨터와 결합에 용이하다.
③ 가격이 저렴하고 구조가 단순하고 비교적 견고하여 내구성이 좋다.
④ 열기전력, 저항 브리지 전압을 직접 전기적으로 측정할 수 있다.
5. 가속도 센서의 고정 방법 중 사용할 수 있는 주파수 영역이 넓고 정확도 및 장기적 안전성이 좋으며 먼지, 습기, 온도의 영향이 적은 것은?
① 나사 고정
② 밀랍 고정
③ 마그네틱 고정
④ 에폭시 시멘트 고정
6. 기류음은 난류음과 맥동음으로 나눌 수 있다. 다음 중 맥동음을 일으키는 것이 아닌 것은?
① 압축기
② 선풍기
③ 진공펌프
④ 엔진의 배기관
7. 프로세스제어에서 온도제어와 유량제어에 대한 설명 중 옳은 것은?
① 유량제어는 검출부의 응답지연이 있다.
② 온도제어는 전송부의 응답지연이 없다.
③ 유량제어는 전송부의 응답지연이 있다.
④ 온도제어는 검출부의 응답지연이 있다.
8. 음에너지에 의해 매질에는 미소한 압력변화가 생기며, 이 압력변화 부분을 음압이라고 한다. 다음 중 음압(Sound Pressure)의 단위로 옳은 것은?
① m/s
② W
③ N/㎡
④ m/s²
9. 유체의 흐름 속에 날개가 있는 회전자를 설치하고, 유속에 따른 회전자의 회전수를 검출하여 유량을 구하는 것은?
① 와류식 유량계
② 터빈식 유량계
③ 용적식 유량계
④ 면적식 유량계
10. 회전체의 회전수를 측정하는 방법 중 자속 밀도의 변화를 이용하여 펄스 모양의 전압 신호를 인출하는 것으로, 내구성이 우수하고 전원을 필요로 하지 않는 특징이 있는 측정법은?
① 주파수 계수법
② 전자식 검출법
③ 광전식 검출법
④ 회전주기 측정법
11. 진동의 에너지를 표현하는 것에 적합한 값으로, 정현파의 경우 피크값의 1/√2배인 값은?
① 평균값
② 진동값
③ 실횻값
④ 피크- 피크
12. 진동 차단기로 이용되는 패드의 재료가 아닌 것은?
① 강철
② 코르크
③ 스펀지 고무
④ 파이버 글라스
13. 두 물체의 고유진동수가 같을 때 한쪽을 울리면 다른 쪽도 울리는 현상은?
① 공명
② 고체음
③ 맥동음
④ 난류음
14. 소음의 물리적 성질에 대한 설명 중 틀린 것은?
① 음의 진행 방향을 나타내는 음선은 파면에 수평 이다.
② 파동의 위상이 같은 점들을 연결한 면을 파면이라고 한다.
③ 음파는 매질 개개의 입자가 파동이 진행하는 방향의 앞뒤로 진동하는 종파이다.
④ 파동은 매질 자체가 이동하는 것이 아닌 매질의 변형 운동으로 이루어지는 에너지 전달이다.
15. 미지 저항을 측정하기 위한 휘트스톤 브리지 회로에 사용되는 측정방법은?
① 편위법
② 영위법
③ 치환법
④ 보상법
16. 각진동수를 이[rad/s], 주기를 T[s/cycle], 진동수를 f[Hz]라 할 때 각진동수, 주기, 진동수와의 관계식이 올바른 것은?
① T=2πf
② T=2πω
③ ω=2πf
④ T=ω/2π
17. 다음 음의 특성 중 음파가 한 매질에서 타 매질로 통과할 때 구부러지는 현상은?
① 반사
② 간섭
③ 회절
④ 굴절
18. 구름 베어링은 기하학적 구조로 인하여 베어링 특성 주파수를 계산할 수 있다. 다음 중 특성 주파수에 해당 하지 않는 것은?
① 내륜 결함 주파수
② 외륜 결함 주파수
③ 케이지 결함 주파수
④ 케이스 결함 주파수
19. 주파수에 관한 설명 중 틀린 것은?
① 주파수의 단위는 Hz이다.
② 주파수는 60초 동안의 사이클 수를 말한다.
③ 한 주기 동안에 걸린 시간이 길수록 주파수는 낮다.
④ 동일한 질량의 경우 강성이 클수록 주파수는 높다.
20. 시스템을 외부 힘에 의해서 평형위치로부터 움직였다가 그 외부 힘을 끊었을 때 시스템이 자유진동을 하는 진동수를 무엇이라 하는가?
① 댐핑
② 감쇠진동수
③ 단순진동수
④ 고유진동수
21. 다음은 설비관리 조직 중에서 어떤 형태의 조직인가?

① 설계 보증 조직
② 제품 중심 조직
③ 기능 중심 매트릭스 조직
④ 제품 중심 매트릭스 조직
22. 보전도 공학의 영역에서 보전도 프로그램 준비, 보전도 상세 프로그램 결정, 사용자와의 정보 연락 등과 가장 관련성이 큰 것은?
① 보전도 계획
② 보전도 분석
③ 보전도 설계
④ 보전도 합리화
23. 자주보전 전개 스텝 7단계 중 제 6단계에 속하는 것은?
① 자주점검
② 자주관리의 철저
③ 자주보전의 시스템화
④ 발생원 곤란개소 대책
24. 속도 로스를 설명한 것으로 옳은 것은?
① 속도 로스는 설비의 설계속도와 설비가 실제로 움직이는 속도와의 합이다.
② 속도 로스는 설비의 설계속도와 설비가 실제로 움직이는 속도와의 차이다.
③ 속도 로스는 설비의 설계속도와 설비가 실제로 움직이는 속도와의 곱이다.
④ 속도 로스는 설비의 설계속도를 설비가 실제로 움직이는 속도로 나눈 값이다.
25. 컴퓨터나 로봇에 전문적 기술을 부여하여 자동화 공장의 문제점을 인식하고 이를 해결하기 위한 방법을 스스로 찾아낼 수 있는 것은?
① 자동이송라인
② 수치제어기계
③ 지능기술시스템
④ 유연기술시스템
26. 계측화의 실시 및 합리화를 위한 방법과 가장 거리가 먼 것은?
① 계측기의 선정 또는 개발
② 계측기술의 선정 또는 개발
③ 장치공사의 적정화
④ 적당한 계측에 의한 수량화
27. 선반용 바이트, 밀링용 커터, 호빙머신용 호브 등은 무슨 공구인가?
① 형(Die)
② 지그
③ 절삭 공구
④ 연삭 공구
28. 라인별 배치라고도 하며 공정의 계열에 따라 각 공정에 필요한 기계가 배치되는 설비배치 형태는?
① 제품별 배치
② 혼합형 배치
③ 공정별 배치
④ 제품고정 배치
29. 가공 및 조립형 산업에서 설비 6대 로스와 가장 거리가 먼 것은?
① 고장 로스
② 시가동 로스
③ 순간 정지 로스
④ 속도 저하 로스
30. 품질보전의 전개 순서로 적절한 것은?
① 현상 분석→목표 설정→요인 해석→검토→실시→결과 확인→표준화
② 현상 분석→목표 설정→표준화→검토→요인 해석→실시→결과 확인
③ 현상 분석→목표 설정→표준화→요인 해석→검토→실시→결과 확인
④ 현상 분석→요인 해석→검토→실시’→표준화→목표 설정→결과 확인
31. 합리적인 공사 일정 계획을 세우기 위한 항목과 가장 거리가 먼 것은?
① 납기의 정확화
② 공사기간의 단축
③ 작업량의 안정화
④ 관계된 각 업무의 독립화
32. TPM 관리와 전통적 관리를 비교했을 때 전통적 관리의 특징으로 옳은 것은?
① 무결점 목표
② Input 지향
③ 원인추구 시스템
④ Top Down 지시
33. 적극적인 기술 혁신을 통하여 신제품 개발, 생산이 다른 회사보다 늦지 않도록 하기 위한 투자는?
① 확장 투자
② 제품 투자
③ 공격적 투자
④ 합리적 투자
34. 설비관리에 대한 설명으로 가장 거리가 먼 것은?
① 설비 자산의 효율적 관리
② 끊임없는 설비 자동화율의 극대화
③ 설비의 설계와 연계되는 보전도 향상
④ 사용설비의 보전도 유지를 포함한 생산보전 활동
35. 설비보전에서 효과측정을 위한 척도로 사용되는 지수이다. 다음 중 계산식이 틀린 것은?
① 고장도수율=(고장횟수/부하시간)×100
② 고장도수율=(고정정지시간/부하시간)×100
③ 설비 가동률=(정미가동시간/부하시간)×100
④ 제품단위당 보전비=(보정비총액/부하시간)×100
36. 상비품 발주방식 중 재고량이 정해진 양까지 내려가면 기계적으로 일정량만큼 보충 주문을 하고, 계획된 최고량과 최저량 사이에서 재고를 보유하는 방식은?
① 2-Bin 방식
② 정기 발주방식
③ 정량 발주방식
④ 사용량 발주방식
37. 수리공사의 목적에 따른 분류 중 설비검사를 하지 않은 생산설비의 수리를 무슨 공사라고 하는가?
① 개수공사
② 사후수리공사
③ 예방수리공사
④ 보전개량공사
38. 설비배치의 목적을 설명한 것으로 틀린 것은?
① 배치 및 작업의 탄력성 유지
② 우량품의 제조 및 설비비 절감
③ 생산량 증가 및 생산 원가 절감
④ 커뮤니케이션 통제와 노동력 절감
39. 불량품이나 결점, 클레임, 사고건수 등을 현상이나 원인별로 데이터를 정리하고 수량이 많은 순서로 나열하여 막대그래프로 나타낸 것을 무엇이라고 하는가?
① 관리도
② 파레토도
③ 체크시트
④ 히스토그램
40. 설비의 경제성을 평가하는 데 있어서 비용비교법의 하나인 평균이자법에서 연간비용은 어떻게 산출하는가?
① 연간비용=가동비+평균이자-상각비
② 연간비용=가동비+상각비-평균이자
③ 연간비용=가동비-평균이자-상각비
④ 연간비용=가동비+평균이자+상각비
41. 철강의 열처리 중 풀림처리의 목적이 아닌 것은?
① 내부 응력을 제거한다.
② 강의 표면을 경화시킨다.
③ 냉간 가공성을 향상시킨다.
④ 경도를 줄이고 조직을 연화시킨다.
42. 펌프 흡입관에 대한 설명으로 틀린 것은?
① 흡입관 끝에 스트레이너를 설치한다.
② 관의 길이는 짧고 곡관의 수는 적게 한다.
③ 배관은 펌프를 향해 1/150 올림 구배를 한다.
④ 흡입관에서 편류나 와류가 발생하지 못하게 한다.
43. 고장, 불량이 발생하지 않도록 하기 위하여 평소에 점검, 정밀도 측정, 정기적인•정밀검사, 급유 등의 활동을 통하여 열화 상태를 측정하고, 그 상태를 판단하여 사전에 부품교환, 수리를 실시하는 정비는?
① 예방 정비
② 사후 정비
③ 생산 정비
④ 개량 정비
44. 다음 중 역류방지 밸브가 아닌 것은?
① 코크밸브(Cock Valve)
② 플랩밸브(Flap Valve)
③ 체크밸브(Check Valve)
④ 반전밸브(Reflex Valve)
45. 줄(File)의 작업방법이 아닌 것은?
① 진원법
② 직진법
③ 사진법
④ 병진법
46. 송풍기 기동 후의 점검 사항으로 잘못된 것은?
① 윤활유의 적정 여부 점검
② 임펠러의 이상 유무 점검
③ 베어링 온도의 급상승 여부 점검
④ 미끄럼 베어링의 오일링 회전의 정상 유무 점검
47. 다음의 배관용 공기구 중 파이프를 구부리는 공구로 가장 적합한 것은?
① 오스터
② 파이프 커터
③ 파이프 바이스
④ 파이프 벤더
48. 철강재 스프링 재료가 갖추어야 할 조건으로 틀린 것은?
① 부식에 강해야 한다.
② 피로강도와 파괴인성치가 낮아야 한다.
③ 가공하기 쉽고, 열처리가 쉬운 재료이어야 한다.
④ 높은 응력에 견딜 수 있고, 영구변형이 없어야 한다.
49. 스프링의 도시 방법으로 틀린 것은?
① 그림에 기입하기 힘든 사항은 표에 일괄하여 표시 한다.
② 코일 스프링, 벌류트 스프링은 일반적으로 무하중 상태에서 그린다.
③ 겹판 스프링은 일반적으로 스프링 판이 수평인 상태에서 그린다.
④ 그림에서 단서가 없는 코일 스프링이나 벌류트 스프링은 모두 왼쪽으로 감은 것으로 나타낸다.
50. 보전용 재료로 사용되는 O링의 구비조건으로 틀린 것은?
① 내노화성이 좋은 것
② 내마모성이 좋을 것
③ 사용 온도 범위가 좁을 것
④ 상대 금속을 부식시키지 않을 것
51. 관이음의 종류 중 신축이음에 사용하는 이음쇠의 형태가 아닌 것은?
① 루프형
② 파형관형
③ 미끄럼형
④ 유니언형
52. 드릴가공, 주조가공 등에 의하여 이미 뚫려 있는 구멍을 확대하거나 표면 거칠기를 높게 가공하는 공작기계는?
① 셰이퍼
② 플레이너
③ 보링머신
④ 브로칭머신
53. 일반적인 원심식 압축기의 특징으로 틀린 것은?
① 윤활이 쉽다.
② 맥동 압력이 없다.
③ 고압의 발생이 원활하다.
④ 설치면적이 비교적 좁다.
54. 전동기가 회전 중 진동 현상을 보이고 있다. 그 원인으로 가장 거리가 먼 것은?
① 베어링의 손상
② 통풍창의 먼지 제거
③ 커플링, 풀리의 이완
④ 로터와 스테이터의 접촉
55. 다음의 기하공차 도시법에 대한 설명 중 틀린 것은?

① A는 데이텀을 지시한다.
② 진원도 공차 값 0.01㎜이다.
③ 지정길이 50㎜에 대하여 평행도 공차 값 0.09㎜ 이다.
④ 지정길이 50㎜에 대하여 원통도 공차 값 0.01㎜ 이다.
56. 스패너에 의한 적정한 죔 방법 중 M12~14까지의 볼트를 죌 때 스패너 손잡이 부분의 끝을 꽉 잡고 함을 충분히 주어야 하는데, 이때 가해지는 적당한 힘은 얼마인가?
① 약 5kgf
② 약 20kgf
③ 약 50kgf
④ 100kgf 이상
57. 일반적인 용접의 특성으로 틀린 것은?
① 두께의 제한이 없다.
② 기밀성, 수밀성이 우수하다.
③ 이종 재료의 접합이 가능하다.
④ 변형이나 응력이 발생하지 않는다.
58. 축 고장의 원인과 대책으로 틀린 것은?
① 형상 구조 불량 시 노치 형상을 개선한다.
② 풀리, 기어, 베어링 등 끼워맞춤 불량 시 재질을 변경한다.
③ 급유 불량 시 적당한 유종을 선택하고, 유량 및 급유 방법을 개선한다.
④ 자연 열화 시 축을 분해하여 외관검사를 하고 테스트 해머로 가볍게 두드려 타격음으로 균열의 유무를 판정한다.
59. 웜기어(Worm Gear)의 특징으로 틀린 것은?
① 역전을 방지할 수 없고, 소음이 크다.
② 웜과 웜 휠에 스러스트 하중이 생긴다.
③ 작은 용량으로 큰 감속비를 얻을 수 있다.
④ 웜 휠의 정밀 측정이 곤란하며, 가격이 비싸다.
60. 일반적인 v 벨트 전동장치의 특징으로 틀린 것은?
① 이음매가 없어 운전이 정숙하다.
② 지름이 작은 풀리에도 사용할 수 있다.
③ 홈의 양면에 밀착되므로 마찰력이 평 벨트보다 크다.
④ 설치면적이 넓고, 축 간 거리가 짧은 경우는 사용할 수 없다.
61. 윤활유의 점도에 대한 설명으로 틀린 것은?
① 동점도의 단위는 센티스톡[cSt] 이다.
② 액체가 유동할 때 나타나는 내부저항이다.
③ 절대점도는 동점도를 밀도로 나눈 것이다.
④ 기계의 윤활 조건이 동일하다면 마찰열, 마찰손실, 기계효율을 좌우한다.
62. 윤활유가 유화되는 원인으로 틀린 것은?
① 수분과의 접촉이 적을 때
② 기름의 산화가 상당히 일어났을 때
③ 운전조건이 가혹해서 탄화수소분의 변질을 가져왔을 때
④ 윤활유가 열화되어 이물질분이 증가되어 고점도 유에 이르렀을 때
63. 윤활유 윤활과 그리스 윤활을 비교한 내용으로 틀린 것은?
① 그리스 윤활이 누설이 적다.
② 윤활유 윤활이 냉각효과가 크다.
③ 그리스 윤활이 회전 저항이 작다.
④ 윤활유 윤활이 밀봉 장치가 복잡하다.
64. 다음 중 실린더유의 품질조건으로 틀린 것은?
① 황산에 의한 부식의 억제를 위한 산중화성을 가 질 것
② 고온에서 품질의 변화가 크고, 카본이나 회분 등의 잔류물이 많을 것
③ 실린더 라이너의 미끄럼부에 즉시 윤활이 가능하도록 확산성을 가질 것
④ 실린더 라이너나 피스톤링의 이상 마모를 방지하는 극압성이나 유막의 유지성을 가질 것
65. 윤활관리의 주요 효과로 볼 수 없는 것은?
① 윤활 사고의 방지
② 보수 유지비의 절감
③ 구매 업무의 복잡화
④ 기계의 정도와 기능의 유지
66. 윤활 장치의 고장원인 중 윤활유로 인한 원인이 아닌 것은?
① 기름의 누설
② 부적절한 오일 사용
③ 성질이 다른 기름의 혼합 사용
④ 높은 전도열 및 마찰면의 불충분한 방열
67. 다음 중 그리스 윤활의 특징으로 틀린 것은?
① 밀봉 효과가 크다.
② 내수성이 강하다.
③ 장기간 보전이 가능하다.
④ 이물질 혼합 시 제거가 용이하다.
68. 다음 유압 작동유 중 광유계 작동유가 아닌 것은?
① R&O형 작동유
② 내마모성 작동유
③ 고점도지수 작동유
④ O/W유화형 작동유
69. 공기 압축기의 윤활트러블의 원인이 아닌 것은?
① 마모
② 냉각
③ 탄소
④ 드레인
70. 슬러지 등이 오일 중에 침적되지 않도록 분산시켜 엔진 내부를 깨끗하게 하고, 부생되는 산을 중화시켜 부식 마모가 일어나지 않도록 하는 첨가제는?
① 부식 방지제
② 청정 분산제
③ 점도지수 향상제
④ 내마모성 첨가제
71. 다음 급유 방법 중에 순환 급유법에 속하지 않는 것은?
① 비말 급유법
② 원심 급유법
③ 적하 급유법
④ 유륜식 급유법
72. 그리스 분석시험 중 산화 안정도시험의 설명으로 옳은 것은?
① 그리스에 혼입된 협잡물을 크기별로 확인하는 시험
② 그리스의 전단안전성, 즉 기계적 안전성을 평가 하는 시험
③ 그리스를 장시간 사용하지 않고 방치해 놓거나 사용 과정에서 오일이 그리스로부터 이탈되는 온도를 측정하는 시험
④ 그리스의 수명을 평가하는 시험으로 산소의 존재 하에서 산소흡수로 인한 산소압 강하를 측정하여 내산화성을 조사, 평가하는 시험
73. 윤활유에 소포제를 첨가하는 주된 목적은?
① 온도에 따른 점도변화율의 감소
② 물과 친화성이 있는 광유를 생성
③ 오일층의 공기기포 생성 방지 및 제거
④ 베어링 및 기타 금속물질의 부식 억제
74. 집중 급유장치를 이용하여 그리스 윤활을 하려고 한다. 이때 사용되는 그리스의 주도번호는 몇 호 이하인 것이 가장 적합한가? (단, KS 기준을 준용한다.)
① 2호 이하
② 3호 이하
③ 4호 이하
④ 5호 이하
75. 다음 중 사용 중인 윤활제의 분석결과 윤활 성능이 떨어지는 경우는?
① 수분이 0.1vol% 이내이다.
② 마모입자가 10㎛보다 크다.
③ 동점도가 규정치보다 10% 이내이다.
④ 산성성분(전산가)이 0.3㎎KOH/g 이내이다.
76. 고하중 기어나 극압성이 큰 압연기 등에 사용되는 윤활유로 가장 적합한 것은?
① 웜형 기어유
② 레귤러형 기어유
③ 다목적용 기어유
④ 마일드 EP형 기어유
77. 마멸은 기계 부품의 수명을 단축하는 가장 큰 원인 중 하나이다. 다음 중에서 마멸의 설명과 가장 거리가 먼 것은?
① 마찰과 마멸은 동일한 현상이다.
② 마멸은 열적 원인으로도 일어날 수 있다.
③ 마찰은 반드시 마멸을 동반하는 것이 아니다.
④ 마멸은 외력에 의해 물체 표면의 일부가 분리되는 현상이다.
78. 추운 지역에서 오일의 사용 유무와 저장 및 공급을 결정할 목적으로 냉각을 시키면서 흐르지 않는 온도점을 찾는 시험방법은?
① 인화점
② 유동점
③ 아닐린점
④ 산화 안정도
79. 윤활유 마모 분석방법 중 soap 분석법의 종류가 아닌 것은?
① ICP법
② 원자흡광법
③ 회전전극법
④ 페로그래피법
80. 다음 중 기어 박스에 기어가 들어 있는 밀폐형 윤활 방식으로 적합한 것은?
① 브러시
② 손 급유
③ 유욕 급유
④ 패드 급유
81. 피스톤 펌프 중 구동축과 실린더 블록의 축을 동일 축 선상에 놓고 그 축선상에 대해 기울어져 고정 경사판이 부착되어 있는 방식은?
① 사축식
② 사판식
③ 회전 캠형
④ 회전 피스톤형
82. 자동제어에서 보드선도는 주파수와 진폭비 및 위상지연을 나타낸다. 보통의 시스템에서 나타나는 진폭비와 위상지연은?
① -3dB, 90도
② -6dB, 120도
③ -1.5dB, 45도
④ -9dB, 60도
83. 제어하고자 하는 하나의 변수가 계속 측정되어 다른 변수 즉, 지령치와 비교되며 그 결과가 첫 번째의 변수를 지령치에 맞도록 수정하는 제어방법이 아닌 것은?
① Servo 제어
② Feedback 제어
③ Open-Loop 제어
④ Closed-Loop 제어
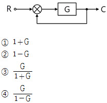
84. 다음 블록선도에서 종합 전달함수 C/R는?

85. 다음 전기 타임 릴레이의 구성요소 중 공압의 체크밸브와 같은 기능을 가지고 있는 것은?
① 접점
③ 다이오드
② 가변저항
④ 커패시터
86. 되먹임 제어에 대한 설명으로 틀린 것은?
① 닫힌 루프 제어라고도 한다.
② 피드백 신호를 통해 목푯값에 도달한다.
③ 외란에 의해서 발생되는 오차에 대한 대처 능력이 없다.
④ 안정도, 대역폭, 감도, 이득 등의 제어 특성에 영향을 미친다.
87. 공압밸브에 대한 설명 중 틀린 것은?
① 2압 밸브는 안전 제어, 검사 기능 등에 사용된다.
② 2개의 입력 공기 중 압력이 높은 공압 신호만 출력되는 밸브를 셔틀 밸브라 한다.
③ 2개의 압축 공기가 입력되어야만 출구로 압축 공기가 흐르는 밸브를 2압 밸브라 한다.
④ 셔틀 밸브에서 2개의 공압 신호가 동시에 입력되면 압력이 낮은 쪽이 먼저 출력된다.
88. 다음 설명에 해당되는 것은?
비압축성 유체를 밀폐된 공간에 담아 유체의 한쪽에 힘을 가하여 압력을 증가시키면, 유체 내의 압력은 모든 방향에 같은 크기로 전달된다.
① 레이놀즈수
② 연속방정식
③ 파스칼의 원리
④ 베르누이의 정리
89. 다음 중 유압 작동유로서 필요한 요소가 아닌 것은?
① 비압축성일 것
② 윤활성이 좋을 것
③ 적절한 점도가 유지될 것
④ 화학적으로 반응이 좋을 것
90. 유압시스템에서 축압기(Accumulator)의 사용 목적으로 적합하지 않은 것은?
① 충격 압력을 흡수하는 경우
② 맥동 흡수용으로 사용하는 경우
③ 압력 증대용으로 사용하는 경우
④ 에너지 보조원으로 사용하는 경우
91. 공압밸브 중 포핏 밸브의 제어 위치가 전환되지 않는 이유로 적당하지 않은 것은?
① 실링 시트의 손상
② 공급 공기압력이 너무 높음
③ 실링 플레이트에 구멍이 발생
④ 과도한 마찰로 인한 기계적인 스위칭 동작에 이상이 발생
92. 다음 중 힘의 단위로 옳은 것은?
① J
② N
③ K
④ mol
93. 로봇의 감지장치에 대한 설명으로 틀린 것은?
① 물체의 위치는 외계조건이다.
② 가속도와 회전력은 내계조건이다.
③ 퍼텐쇼미터의 출력은 디지털 신호이다.
④ 촉각센서는 물체의 형상과 접촉 여부를 감지한다.
94. 수랭식 공기 냉각기와 비교하여 공랭식 공기 냉각기의 장점이 아닌 것은?
① 보수가 용이하다.
② 냉각효율이 좋다.
③ 유지비가 적게 든다.
④ 단수나 동결의 염려가 없다.
95. 변압기의 결선에 대한 설명으로 틀린 것은?
① V-V 결선은 △-△에서 1상을 제거한 것이다.
② △-△ 결선은 권수비가 같은 단상 변압기 3대를 이용하여 3상 전압 변환을 실시하는 것이다.
③ Y-Y 결선은 성형 결선이라= 하며 중성점을 접지할 수 없어 유기 기전력에 제3 고조파를 포함한다.
④ △-Y, Y-△ 결선은 중성점을 접지할 수 있어 제3 고조파 전압이 나타나지 않으나 1차, 2차의 선간 전압에는 30º의 위상차가 존재한다.
96. 벤트포트를 이용하여 3개의 서로 다른 압력을 원격으로 제어하려고 할 때 사용해야 하는 압력 제어 밸브는?
① 카운터 밸런스 밸브
② 직동형 릴리프 밸브
③ 외부 파일럿형 무부하 밸브
④ 평형 피스톤형 릴리프 밸브
97. 다음 유체 조정기기 기호의 명칭은?

① 루브리케이터
② 드레인 배출기
③ 에어 드라이어
④ 기름 분무 분리기
98. 다음 유압 속도 제어회로의 특징이 아닌 것은?

① 펌프송출압은 릴리프밸브의 설정압으로 정해 진다.
② 유량제어밸브를 실린더의 작동행정에서 실린더 오일이 유입되는 입구 측에 설치한 회로이다.
③ 펌프에서 송출되는 여분의 유량은 릴리프밸브를 통하여 탱크로 방류되므로 동력 손실이 크다.
④ 실린더 입구의 압력 쪽 분기회로에 유량제어 밸브를 설치하여 불필요한 압유를 배출시켜 작동 효율을 증진시킨다.
99. 유압 모터의 종류가 아닌 것은?
① 기어 모터
② 베인 모터
③ 스크루 모터
④ 회전 피스톤 모터
100. 공압 모터의 특징으로 틀린 것은?
① 시동 정지 시 충격 발생이 없다.
② 장시간 운전 시 폭발의 위험이 있다.
③ 회전속도를 자유롭게 조절할 수 있다.
④ 에너지를 축적할 수 있어 정전 시 비상용으로 유효하다.
'ExamData' 카테고리의 다른 글
| 2023년까지 시행한 정보처리기사 자격검정 현황, 필기시험 기출문제 CBT (0) | 2024.03.25 |
|---|---|
| 2023년까지 시행한 컬러리스트기사 자격검정 현황, 필기시험 기출문제 CBT (0) | 2024.03.25 |
| 2023년까지 시행한 가스산업기사 자격검정 현황, 필기시험 기출문제 CBT (1) | 2024.03.24 |
| 2023년까지 시행한 건설안전산업기사 자격검정 현황, 필기시험 기출문제 CBT (0) | 2024.03.24 |
| 2023년까지 시행한 건축산업기사 자격검정 현황, 필기시험 기출문제 CBT (0) | 2024.03.24 |






