2018년 4회 신재생에너지발전설비기사(태양광) 기출문제 (필기시험, 9월 15일 시행)
ExamData 2024. 4. 13. 22:182018년 4회 신재생에너지발전설비기사(태양광) 필기시험은 수탁 기관인 한국산업인력공단 시행 기능·기술 분야 기사, 산업기사 등급 및 서비스 분야 국가기술자격 정기검정 4회 필기 시험일인 9월 15일에 시행되었습니다.
도타비 문제은행의 신재생에너지발전설비기사(태양광) 필기 기출문제 모의고사에 수록된 2018년 4회 신재생에너지발전설비기사(태양광) 필기시험 기출문제 CBT는 회원 가입 등의 번거로운 절차 없이 인터넷 환경에서 PC 또는 모바일 기기 등을 이용하여 문제를 풀고 자동으로 채점한 후 틀린 문제 다시 풀기 등의 추가학습 기능이 탑재되어 있으며, 문제 파일이 첨부되어 있습니다.
도타비 문제은행의 신재생에너지발전설비기사(태양광) 필기 기출문제 모의고사 CBT에서는 연도별 자격시험 시행 회차별로 분류한 CBT와 랜덤 모의고사를 활용할 수 있습니다.
■ 2018년 4회 신재생에너지발전설비기사(태양광) 필기 기출문제 CBT 응시, 문제 파일 내려받기 (↓)
2018년 4회 신재생에너지발전설비기사(태양광) 필기 기출문제 CBT
2018년 4회 신재생에너지발전설비기사(태양광)
www.gunsys.com
■ 도타비 문제은행 신재생에너지발전설비기사(태양광) 필기 기출문제 모의고사, CBT (↓)
도타비 문제은행 :: 신재생에너지발전설비기사(태양광) 필기 기출문제 모의고사, CBT
신재생에너지발전설비기사(태양광) 필기시험 기출문제 모의고사, CBT
www.gunsys.com
■ 2018년 4회 신재생에너지발전설비기사(태양광) 필기 기출문제 (↓)

1. 축전지 충전방식 중 자기방전량만을 항상 충전하는 충전방식은?
① 보통충전
② 급속충전
③ 부동충전
④ 세류충전
2. 태양광발전용 인버터의 회로방식으로 적당하지 않은 것은?
① 트랜스리스 방식
② 단권변압기 절연방식
③ 고주파변압기 절연방식
④ 상용주파변압기 절연방식
3. 인버터 데이터 중 모니터링 화면에 전송되는 것이 아닌 것은?
① 발전량
② 일사량, 온도
③ 입력전압, 전류, 전력
④ 출력전압, 전류, 전력
4. PN접합 다이오드에 대한 설명 중 틀린 것은?
① 외부에서 바이어스를 가하지 않으면 확산전류와 드리프트 전류의 크기는 동일하다.
② P 영역의 정공은 확산(diffusion)에 의해 N 영역으로 이동한다.
③ N 영역의 전자는 드리프트(drift)에 의해 P 영역으로 이동한다.
④ 공핍층(depletion layer)에서만 전기장이 존재한다.
5. 다음 중 발전방식에 의한 이산화탄소 배출량으로 옳은 것은? (단, 생산 규모 100MW, 상정 수명이 20년으로 가정한다.)
① 다결정 실리콘 40~45g-CO₂/㎾h
② 다결정 실리콘 60~80g-CO₂/㎾h
③ 아몰퍼스 실리콘 5~10g-CO₂/㎾h
④ 아몰퍼스 실리콘 100~150g-CO₂/㎾h
6. 면적이 250㎠이고, 변환효율이 20%인 결정질 실리콘 태양전지의 표준조건에서의 출력은?
① 0.4W
② 0.5W
③ 4W
④ 5W
7. 태양전지 제조 과정 중 표면 조직화에 대한 설명 중 틀린 것은?
① 표면 조직화는 표면 반사손실을 줄이거나 입사 경로를 증가 시킬 목적이다.
② 표면 조직화는 광 흡수율을 높여 단락전류를 높이기 위함이다.
③ 태양전지의 표면을 피라미드 또는 요철 구조로 형성화하는 방법이다.
④ 표면 조직화는 태양전지의 곡선인자 값을 향상시키게 된다.
8. 태양광발전 시스템에서 추적제어방식에 따른 분류가 아닌 것은?
① 프로그램 추적법(program tracking)
② 감지식 추적법(sensor tracking)
③ 양방향 추적법(double tracking)
④ 혼합식 추적법(mixed tracking)
9. 독립형 태양광발전 설비용 인버터의 필요한 조건 중 틀린 것은?
① 출력 쪽 단락 손상에 대한 보호
② 축전지 전압 변동에 대한 내성
③ 교류 측으로 직류의 역류 기능
④ 급상승 전압 보호
10. 축전지 설비의 설치기준에서 큐비클식 축전기 설비 이외의 발전설비와의 사이 이격거리(m)는?
① 0.5
② 1.0
③ 1.5
④ 2.0
11. 태양광발전 경사각에 대한 설명으로 가장 거리가 먼 것은?
① 적도지방의 경사각은 0º일 때 가장 효율적이다.
② 우리나라의 경우 중부지방은 경사각이 37º일 때 가장 효율적이다.
③ 태양광 모듈과 지표면이 이루는 각도를 말한다.
④ 최적의 경사각은 그 지역의 위도와 관계없이 항상 90º일 때이다.
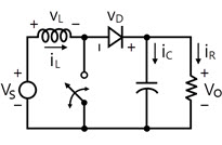
12. 회로에서 입력전압 24V, 스위칭 주기 50㎲, 듀티비 0.6, 부하저항이 10Ω일 때, 출력전압 VO는 몇 V인가? (단, 인덕터의 전류는 일정하고, 커패시터의 C는 출력전압의 리플 성분을 무시할 수 있을 정도로 매우 크다.)

① 20
② 40
③ 60
④ 80
13. 다음 중 신·재생에너지의 분류에 해당되지 않는 것은?
① 태양열
② 원자력발전
③ 바이오에너지
④ 해양에너지
14. 태양광발전 시스템용 축전지(batter)로 사용되지 않는 것은?
① 니켈-카드뮴
② 니켈-수소
③ 리튬이온
④ 망간
15. 계통연계형 태양광발전시스템에서 축전지의 용량 산출 일반식으로 옳은 것은? (단, C : 축전지의 표시 용량, K : 방전시간, 축전지 온도, 허용최저전압으로 결정되는 용량 환산 시간, I : 평균방전전류, L : 보수율(수명 말기의 용량 감소율))
① C=K(I/L)
② C=K(L/I)
③ C=L/(KL)
④ C=L/(KI)
16. 파장이 546㎚인 광자의 에너지를 전자볼트의 단위로 환산했을 때 옳은 것은?
① 2.28eV
② 3.28eV
③ 3.62eV
④ 4.14eV
17. 태양전지의 특징에 대하여 설명한 내용 중 옳은 것을 [보기]에서 찾아 모두 나열한 것은?
㉠ 태양전지가 전달하는 전력은 입사하는 빛의 세기에 따라 달라짐
㉡ 태양전지로부터의 전류값은 부하저항에 따라 변하지 않음
㉢ 빛에 의한 전기화학적인 전위의 일시적인 변화로부터 기전력을 유도함
① ㉠
② ㉠, ㉡
③ ㉠, ㉢
④ ㉡, ㉢
18. 태양광발전용 PCS의 회로방식 중 소형·경량으로 회로가 복잡하고, 고효율화를 위한 특별한 기술이 요구되는 회로방식은?
① 상용주파 절연방식
② 고주파 절연방식
③ 무변압기방식
④ 전류 절연방식
19. 다음 중 수직축 풍차가 아닌 것은?
① 사보니우스 풍차
② 프로펠러형 풍차
③ 크로스플로 풍차
④ 다리우스 풍차
20. 결정계 실리콘 태양전지 모듈에서 표면온도와 발전출력과의 일반적인 관계는?
① 표면온도가 높아지면 발전출력이 증가한다.
② 표면온도가 높아지면 발전출력이 감소한다.
③ 표면온도가 낮아지면 발전출력이 감소한다.
④ 표면온도가 변화가 발전출력에는 영향이 없다.
21. 모니터링시스템 주요 구성 요소가 아닌 것은?
① 발전소 내 감시용 CCTV
② LOCAL 및 Web Monitoring
③ 기상관측 장치
④ LBS
22. 태양광발전시스템과 전력계통선과의 연계를 위한 송·수전설비에서 중요한 송전용 변압기의 용량 산정에 고려사항이 아닌 것은?
① DC 케이블의 굵기 선정
② 변압기 효율과 부하율의 관계
③ 변압기 뱅크 방식에 따른 송전방식
④ 적정 변압기의 결선방식 선정
23. 태양광발전 사업 추진 절차 내용과 관련 기관이 틀린 것은?
① 사용 전 검사 - 한국전력공사
② 대상 설비 확인 - 공급인증기관
③ 전력수급계약 체결 - 전력거래소
④ 사업 개시 신고 - 산업통상자원부 장관
24. 다음 중 수직하중에 해당하지 않는 것은?
① 적설하중
② 고정하중
③ 활하중
④ 풍하중
25. 에어매스(AM : Air Mass)의 뜻으로 옳은 것은?
① 지구대기에 입사한 태양광의 입사각도
② 지구대기에 입사한 태양광과 대기 분포의 비
③ 지구대기에 임의의 측정 위치의 지구 대기 질량
④ 지구대기에 입사한 태양광이 통과한 대기노정의 길이
26. 태양광 발전사업 허가기준에 대한 설명이다. 다음 중 허가기준에 맞지 않은 것은?
① 전기사업 수행에 필요한 재무능력 및 기술능력이 있을 것
② 전기사업이 계획대로 수행될 수 있을 것
③ 일정 지역에 편중되어 전력계통의 운영에 지장을 초래해서는 아니 될 것
④ 태양광 발전사업 허가신청 시 환경영향평가를 반드시 2회 받아야 될 것
27. 피뢰시스템의 보호각법에서 Ⅱ레벨의 회전구체 반경 r(m)의 최대값은?
① 10
② 20
③ 30
④ 45
28. 적설량이 많은 지역에서의 태양전지 어레이의 설계 경사각으로 가장 적절한 각은?
① 5º
② 15º
③ 45º
④ 90º
29. 다음의 조건에서 독립형 태양광발전시스템의 축전지 용량(Ah)은?
- 1일 적산부하량 : 3.0㎾h
- 일조가 없는 날 : 10일
- 공칭축전지 전압 : 2V
- 보수율 : 0.8
- 축전지 직렬개수 : 48장
- 방전심도 : 65%
① 601
② 751
③ 941
④ 451
30. 가대 설계 시 적용하는 하중으로 가장 거리가 먼 것은?
① 적설 하중
② 우천 하중
③ 지진 하중
④ 풍압 하중
31. 연차별 총비용 대비 연차별 총편익의 비를 토대로 사업의 타당성을 판단하는 경제성 분석 모형은?
① 순현재가치법(NPN)
② 비용편익비 분석(CBR)
③ 내부수익률(IRR)
④ 자본회수기간법(PPM)
32. 어레이 설계 시 어레이 구조 결정의 기술적 측면에서의 고려사항으로 틀린 것은?
① 구조 안정성
② 환경영향평가 검토
③ 풍속, 풍압, 지진 고려
④ 건축물과의 결합(기초)방법 결정
33. 태양광 발전설비 설치 시 반드시 필요한 설계도서에 해당되지 않는 것은?
① 배치도
② 평면도
③ 시방서
④ 계획서
34. 태양광 발전설비를 뇌격으로부터 보호하기 위한 과전압 보호장치(SPD : Surge Protection Device) 설치 및 접지방식에서 그림 중에서 가장 적절한 방식은?

35. 태양전지 간의 배선 또는 태양전지 모듈과 접속함, 파워컨디셔너 간의 배선이 갖추어야 될 특성으로 볼 수 없는 것은?
① 최대 내열 온도 범위는 –40℃~90℃
② 최소 곡률반경은 도선 지름의 3~4배
③ 절연체 재질로는 XLPE, 외피에는 난연성 PVC 사용
④ 회로의 단락전류에 견딜 수 있는 굵기의 케이블을 선정
36. 태양광 모듈 설치 시 태양을 향한 방향에 높이 5m인 장애물이 있을 경우 장애물로부터 최소 이격거리(m)는? (단, 발전 가능 한계시각에서의 태양의 고도각은 15º이다.)
① 약 8.2
② 약 10.5
③ 약 15.6
④ 약 18.7
37. 태양전지의 기초종류와 적용 목적이 올바르게 설명된 것은?
① 말뚝기초 : 철탑 등의 기초에 자주 사용
② 직접기초 : 지지층이 얕을 경우 사용
③ 연속기초 : 하천 내의 교량 등에 사용
④ 주춧돌 기초 : 지지층이 깊을 경우 사용
38. 유리계면에 태양광 에너지가 60º로 입사될 경우 태양광 에너지의 반사율은 얼마인가? (단, 굴절률은 공기 : 1, 유리 : 1.526)
① 0.063
② 0.073
③ 0.083
④ 0.093
39. 태양광발전설비 부지를 선정할 때 틀린 것은?
① 일조량이 많아야 한다.
② 일조시간이 길어야 한다.
③ 적설량이 적어야 한다.
④ 음영이 많아야 한다.
40. 설계도서 적용 시 고려사항이 아닌 것은?
① 숫자로 나타낸 치수는 도면상 축척으로 잰 치수보다 우선한다.
② 특기시방서는 당해 공사에 한하여 일반시방서에 우선하여 적용한다.
③ 공사계약문서 상호 간에 문제가 있을 때는 감리에 의하여 최종적으로 결정한다.
④ 설계도면 및 시방서의 어느 한쪽에 기재되어 있는 것은 그 양쪽에 기재되어 있는 사항과 완전히 동일하게 다룬다.
41. 화재 발생 시 다른 설비로 불길 확산 방지를 위한 방화구획 관통부의 처리방법 중, 배선을 옥외에서 옥내로 끌어들인 관통부분 처리방법에서 관통부분의 충전재 등이 가져야 할 성질은 무엇인가?
① 내열성, 냉방성
② 가요성, 내후성
③ 난연성, 내후성
④ 난연성, 내열성
42. 감리원은 공사업자 등이 제출한 시설물의 유지관리지침 자료를 검토하여 공사 준공 후 며칠 이내에 발주자에게 제출하여야 하는가?
① 7일
② 14일
③ 20일
④ 30일
43. 설계 감리원의 설계도면 적정성 검토 사항으로 옳지 않은 것은?
① 도면 작성이 법률적 근거를 제시하였는지 여부
② 설계 입력 자료가 도면에 맞게 표시되었는지 여부
③ 설계결과물(도면)이 입력자료와 비교해서 합리적으로 표기되었는지 여부
④ 도면이 적정하게, 해석 가능하게, 실시 가능하며 지속성 있게 표현되었는지 여부
44. 접지극으로 사용 가능한 규격으로 적합하지 않은 것은?
① 동판을 사용하는 경우는 두께 0.6㎜ 이상, 면적 800㎠ 편면 이상의 것
② 동봉, 동피복강봉을 사용하는 경우는 지름 8㎜ 이상, 길이 0.9m 이상의 것
③ 탄소피복강봉을 사용하는 경우는 지름 8㎜ 이상의 강심이고 길이 0.9m 이상의 것
④ 동복강판 사용하는 경우는 두께 1.6㎜ 이상, 길이 0.9m, 면적 250㎠ 편면 이상의 것
45. 지붕에 설치하는 태양광발전 형태로 볼 수 있는 것은?
① 창재형
② 차양형
③ 난간형
④ 톱라이트형
46. 변압기의 Y-Y 결선방식의 특징이 아닌 것은?
① 기전력 파형은 제3고조파를 포함한 왜형파가 된다.
② 중성점을 접지할 수 있으므로 단절연방식을 채택할 수 없다.
③ 상전압은 선간전압의 1/√3이 되어 고전압의 결선에 적용된다.
④ 변압비, 임피던스가 서로 틀려도 순환전류가 흐르지 않는다.
47. 접속반 설치공사 중 고려사항이 아닌 것은?
① 접속함 설치 위치는 어레이 근처가 적합하다.
② 외함의 재질은 가급적 SUS304 재질로 제작 설치한다.
③ 접속함은 풍압 및 설계하중에 견디고 방수, 방부형으로 제작한다.
④ 역류 방지 다이오드의 용량은 모듈 단락전류의 4배 이상으로 한다.
48. 태양광전지 모듈과 접속함 간의 배선공사를 금속덕트로 시공할 경우 금속덕트에 넣은 전선의 단면적의 합계는 덕트 내부 단면적의 몇 % 이하로 하여야 하는가? (단, 전선의 단면적은 절연피복을 포함한다.)
① 50
② 40
③ 30
④ 20
49. 공사업자가 감리원에게 제출하는 시공계획서에 포함되지 않는 것은?
① 시공기준 내역서
② 공사 세부공정표
③ 주요 장비 동원계획
④ 주요 기자재 및 인력투입 계획
50. 태양광 발전시스템의 시공절차 중 간선공사 순서가 올바른 것은?
① 모듈→어레이→접속반→인버터→계통간선
② 모듈→인버터→어레이→접속반→계통간선
③ 어레이→모듈→인버터→접속반→계통간선
④ 모듈→인버터→접속반→어레이→계통간선
51. 태양광발전시스템 시공 시 원칙적인 안전 대책이 아닌 것은?
① 절연장갑을 사용한다.
② 절연 처리된 공구를 사용한다.
③ 작업 전 태양전지 모듈 표면에 차광막을 씌워 태양전지의 출력을 막는다.
④ 강우 시 안전에 유의하면서 작업을 진행한다.
52. 전압 변동에 의한 플리커 현상의 경감 대책에 대한 설명으로 가장 옳지 않은 것은?
① 전원 계통에 리액터분을 보상하는 방법은 직렬콘덴서 방식이 있다.
② 전압 강하를 보상하는 방법은 상호 보상 리액터 방식이 있다.
③ 부하와 무효전력 변동분을 흡수하는 방식은 사이리스터 이용 콘덴서 개폐 방식이 있다.
④ 플리커 부하 전류의 변동분을 억제하는 방식은 병렬리액터 방식이 있다.
53. 태양광 전지의 사용 전 검사의 세부 내용이 아닌 것은?
① 외관검사
② 어레이 접지 상태 확인
③ 전지 전기적 특성시험
④ 제어회로 및 경보시험
54. 접지공사 시공 방법에 관한 설명으로 가장 옳지 않은 것은?
① 제3종 접지공사는 접지저항 값을 100Ω 이하로 한다.
② 제1종 및 특별 제3종 접지공사의 접지저항 값은 10Ω 이하로 한다.
③ 태양전지에서 인버터까지의 직류전로(어레이 주회로)에는 특별 제3종 접지공사를 한다.
④ 제2종 접지공사는 변압기의 고압 측 혹은 특별고압 측 전로의 1선 지락전류의 암페어 수로 150을 나눈 값과 같은 접지저항 값 이하로 한다.
55. 서지 보호를 위해 SPD 설치 시 접속도체의 길이는 몇 m 이하가 되도록 하여야 하는가?
① 0.3
② 0.5
③ 0.8
④ 1.0
56. 건축물에 태양광발전 설치방식 중 개구부의 블라인드 기능을 보유하고, 건축의 디자인을 손상시키지 않고 설치할 수 있는 방식은?
① 창재형
② 차양형
③ 난간형
④ 루버형
57. 감리업자는 감리용역 착수 시 착수신고서를 제출하여 발주자의 승인을 받아야 한다. 착수신고서에 포함되지 않는 서류는?
① 공사 예정 공정표
② 감리비 산출내역서
③ 감리업무 수행계획서
④ 상주, 비상주 감리원 배치계획서
58. 특기시방서에 대한 설명으로 알맞은 것은?
① 일반적인 기술 사항을 규정한 시방서
② 특정공사를 위해 일반사항을 규정한 시방서
③ 공사 전반에 걸쳐 기술적인 사항을 규정한 시방서
④ 특정 자재의 종류, 유형, 치수, 설치방법, 시험 및 검사항목 등을 명시한 시방서
59. 태양전지 모듈의 배선이 끝나고 전기와 관련된 검사항목이 아닌 것은?
① 극성 확인
② 전압 확인
③ 주파수 확인
④ 단락전류 확인
60. 송전선로의 선로정수가 아닌 것은?
① 저항
② 정전용량
③ 리액턴스
④ 누설컨덕턴스
61. 소형 태양광 인버터의 교류 전압, 주파수 추종 범위 시험에 대한 설명으로 가장 옳은 것은?
① 출력 역률이 0.98 이상이다.
② 각 차수별 왜형률은 3% 이내이다.
③ 출력 전류의 종합 왜형률은 3% 이내이다.
④ 59.5㎐와 60.5㎐에서 교류출력 전력, 전류 왜형률, 역률 등을 측정한다.
62. 검출기로 검출된 데이터를 컴퓨터 및 먼 거리에 설치한 표시 장치에 전송하는 경우에 사용하는 기기는?
① 일사량계
② 연산장치
③ 기억장치
④ 신호변환기
63. 송전설비 정기점검에 대한 설명 중 틀린 것은?
① 무전압 상태에서 필요에 따라서는 기기를 분해하여 점검한다.
② 원칙적으로 정전시키고 무전압 상태에서 기기의 이상상태를 점검한다.
③ 이상상태를 발견한 경우에는 배전반의 문을 열고 이상의 정도를 확인한다.
④ 배전반의 기능을 확인하고 유지하기 위한 계획을 수립하여 점검하는 것이다.
64. 동일한 일사량 조건하에서 태양광발전 모듈 온도가 상승할 경우, 나타나는 현상으로 옳은 것은?
① 개방단 전압(Voc)와 단락전류(Isc) 모두 증가하여 최대출력 증가
② 개방단 전압(Voc)과 단락전류(Isc) 모두 증가하여 최대출력 감소
③ 개방단 전압(Voc)은 증가하고 단락전류(Isc) 감소하여 최대출력 증가
④ 개방단 전압(Voc)은 감소하고 단락전류(Isc) 소폭 증가하여 최대출력 감소
65. 태양광발전설비 유지보수 관리에 필요한 전기안전관리자의 점검 횟수 및 점검 간격에 대한 기준으로 틀린 것은?
① 설비용량 300㎾ 이하, 월 1회, 점검 간격 20일 이상
② 설비용량 300㎾ 초과~500㎾ 이하, 월 2회, 점검 간격 10일 이상
③ 설비용량 500㎾ 초과~700㎾ 이하, 월 3회, 점검 간격 7일 이상
④ 설비용량 1500㎾ 초과~2000㎾ 이하, 월 5회, 점검 간격 5일 이상
66. 태양광발전 모듈의 온도 사이클 시험, 습도-동결 시험, 고온고습 시험을 하기 위한 환경 챔버는?
① 염수분무 장치
② UV 시험 장치
③ 항온항습 장치
④ 우박 시험 장치
67. 보기의 괄호에 들어갈 내용으로 가장 옳은 것은?
전기사업의 허가기준(제4조) 중 "대통령령으로 정하는 공급전력"이란 해당 특정한 공급구역의 전력 수요의 ( )% 이상의 공급능력을 말한다.
① 30
② 40
③ 50
④ 60
68. 다음 그림에서 태양광 어레이의 각 스트링의 개방전압 측정방법으로 틀린 것은?

① 접속함의 출력개폐기를 Off한다.
② 각 모듈이 음영에 영향을 받지 않는지 확인한다.
③ 접속함의 각 스트링 단로 스위치를 모두 On한다.
④ 측정을 시행하는 스트링의 단로 스위치만 Off한다.
69. 정기점검에 따른 배전반 점검 항목이 아닌 것은?
① 가스 압력계
② 리미터 스위치
③ 명판과 표시물
④ 제어회로 단자부
70. 일상점검 시 축전지의 육안점검 항목으로 틀린 것은?
① 통풍
② 변형
③ 팽창
④ 변색
71. 안전장비의 정기점검 관리 보관 요령으로 틀린 것은?
① 세척한 후에 그늘진 곳에 보관할 것
② 청결하고 습기가 없는 장소에 보관할 것
③ 보호구 사용 후에는 손질하여 항상 깨끗이 보관할 것
④ 한 달에 한 번 이상 책임 있는 감독자가 점검할 것
72. 괄호 안에 들어갈 절연저항 값은 몇 ㏁인가?

① 0.3
② 0.4
③ 0.5
④ 0.6
73. 송전설비 보수점검 작업 시 점검 전 유의사항이 아닌 것은?
① 무전압 상태 확인 및 안전조치
② 차단기 1차 측의 통전 유무를 확인
③ 점검 시 안전을 위하여 접지선을 제거
④ 작업 주변의 정리, 설비 및 기계의 안전 확인
74. 충전부 작업 중에 접지면을 절연시켜 인체가 통전 경로가 되지 않도록 하기 위해 사용하는 고무판의 사용범위가 아닌 것은?
① 절연내력 시험 시
② 노출충전부가 있는 배전반 및 스위치 조작 시
③ 배전반 내에서의 계전기, 모선 등의 점검, 보수 작업 시
④ 정지된 회전기의 정류자면, 브러시면을 점검, 조정 작업 시
75. 태양광 어레이 회로의 전로 사용전압이 150V 초과 300V 이하인 경우 절연저항 값은 몇 ㏁ 이상이어야 하는가?
① 0.1
② 0.2
③ 0.3
④ 0.4
76. 성능평가를 위한 측정 요소 중 설치코스트 평가방법으로 가장 옳은 것은?
① 설치시설의 분류
② 설치시설의 지역
③ 설치 각도와 방위
④ 인버터 설치 단가
77. 전기설비의 운전·조작에 관한 설명으로 틀린 것은?
① 전기안전관리자는 비상 재해발생 시를 대비하여 비상연락망을 구축한다.
② 전기안전관리자는 전기설비의 운전·조작 또는 이에 대한 업무를 수행하여야 한다.
③ 전기안전관리자는 전기설비의 운전·조작 또는 이에 대한 업무를 감독하여야 한다.
④ 전기안전관리자는 부재 등의 사유로 전기설비의 운전·조작할 수 없을 경우 안전관리 교육을 받은 자 중 1명을 지정할 수 있다.
78. 성능평가를 위한 측정 요소에서 신뢰성 평가·분석 항목 중 시스템 트러블에 해당하지 않는 것은?
① 직류지락
② 인버터 정지
③ 계통지락
④ 컴퓨터 전원의 차단
79. 인버터 입출력회로 절연저항 측정 시 주의사항에 관한 설명 중 틀린 것은?
① 트랜스리스 인버터의 경우는 제조업자가 추천하는 방법에 따라 측정한다.
② 측정할 때는 서지 업서버 등 정격에 약한 회로에 관해서는 회로에서 분리시킨다.
③ 입출력 단자에 주회로 이외의 제어단자 등이 있는 경우는 이것을 포함해서 측정한다.
④ 정격전압이 입출력에서 다를 때는 낮은 측의 전압을 절연저항계의 선택기준으로 한다.
80. 태양광발전시스템의 청소 시 유의사항으로 틀린 것은?
① 절연물은 충전부 간을 가로지르는 방향으로 청소한다.
② 문, 커버 등을 열기 전에는 주변의 먼지나 이물질을 제거한다.
③ 청소걸레는 마른걸레를 사용하되 젖은 걸레를 사용하는 경우 산성인 것을 사용한다.
④ 컴프레셔를 이용하여 공압을 사용하는 진공청소기를 이용한 흡입방식을 사용하고, 토출 방식은 공기의 압력에 유의한다.
81. 전기설비기술기준의 판단기준에서 상주 감시를 하지 아니하는 변전소의 변전제어소 또는 기술원이 상주하는 장소에 경보장치를 시설하는 경우로서 틀린 것은?
① 제어회로의 전압이 현저히 저하한 경우
② 주요 변압기의 전원측 전로가 무전압으로 된 경우
③ 특고압용 타냉식변압기는 그 냉각장치가 고장 난 경우
④ 출력 500㎸A 초과하는 특고압 변압기의 온도가 현저히 상승한 경우
82. 전기판매사업자는 대통령령으로 정하는 바에 따라 전기요금과 그 밖의 공급조건에 관한 약관을 작성하여 누구의 인가를 받아야 하는가?
① 전기위원회위원장
② 전력거래소장
③ 기획재정부장관
④ 산업통상자원부장관
83. 전기설비기술기준에서 저압전선로 중 절연 부분의 전선과 대지 사이 및 전선의 심선 상호 간의 절연저항은 사용전압에 대한 누설전류가 최대 공급전류의 얼마를 넘지 않도록 하여야 하는가?
① 1/100
② 1/500
③ 1/1000
④ 1/2000
84. 안전공사 및 전기안전관리대행사업자가 안전관리업무를 대행할 수 있는 전기설비의 규모가 아닌 것은?
① 용량 300킬로와트 미만의 발전설비
② 용량 1천 킬로와트 미만의 전기수용설비
③ 용량 600킬로와트 미만의 태양광 발전설비
④ 용량 500킬로와트 미만의 비상용 예비발전설비
85. 전기설비기술기준에서 고압 및 특고압 전로의 피뢰기 시설 위치가 아닌 것은?
① 가공전선로와 지중전선로가 접속되는 곳
② 발전소·변전소 또는 이에 준하는 장소의 가공전선 인입구 및 인출구
③ 고압 또는 특고압의 지중전선로부터 공급을 받는 수용 장소의 인입구
④ 가공전선로(25㎸) 이하의 중성점 다중접지식 특고압 가공전선로를 제외한다)에 접속하는 배전용 변압기의 고압 측 및 특고압 측
86. 연면적 1천제곱미터 이상의 신축·증축 또는 개축하는 건축물을 대상으로 예상 에너지 사용량에 대한 2018년도 신·재생에너지의 공급의무비율(%)은?
① 18
② 21
③ 24
④ 27
87. 신·재생에너지 발전사업자가 신·재생에너지의 기술개발 및 이용·보급에 필요한 사업을 원활히 수행하기 위하여 가입하는 「엔지니어링산업 진흥법」 제34조에 따른 공제조합이 공제사업을 할 경우 정하는 공제 규정에 대한 내용으로 틀린 것은?
① 공제사업의 범위
② 공제계약의 내용
③ 공제금 및 공제료
④ 공제계약 위반 시 범칙금
88. 전기설비기술기준의 판단기준에서 지중전선로를 직접 매설식에 의하여 시설하는 경우 차량 기타 중량물의 압력을 받을 우려가 있는 장소의 매설 깊이는 몇 m 이상인가?
① 0.8
② 1.2
③ 1.4
④ 1.6
89. 전기설비기술기준의 판단기준에서 고압용 또는 특고압용 기계기구의 철대 및 금속제 외함(외함이 없는 변압기 또는 계기용변성기는 철심) 접지공사의 종류는?
① 제1종 접지공사
② 제2종 접지공사
③ 제3종 접지공사
④ 특별 제3종 접지공사
90. 한국전력거래소는 전력시장 및 전력계통의 운영에 관한 규칙을 정하여야 한다. 전력시장운영규칙에 포함되지 않는 내용은?
① 전력거래 방법에 관한 사항
② 전력거래 시 REC 가격 변동 사항
③ 전력거래의 정산·결제에 관한 사항
④ 전력량계의 설치 및 계량 등에 관한 사항
91. 정부가 신·재생에너지의 기술개발 및 이용·보급의 촉진에 관한 시책을 마련하여 자발적인 신·재생에너지 기술개발 및 이용·보급을 장려하고 보호 육성하여야 하는 대상이 아닌 것은?
① 기업체
② 공공기관
③ 해외기관
④ 지방자치단체
92. 신·재생에너지 설비 설치 의무기관으로 대통령령으로 정하는 금액 이상을 출연한 정부 출연기관에서 “대통령령으로 정하는 금액 이상”이란 최소 연간 얼마 이상을 말하는가?
① 40억 원
② 50억 원
③ 60억 원
④ 70억 원
93. 전기설비기술기준의 판단기준에서 발전소 등의 울타리·담 등의 시설 기준에 대한 설명 중 틀린 것은?
① 울타리·담 등의 높이는 2m 이상으로 할 것
② 지표면과 울타리·담 등의 하단 사이의 간격은 20㎝ 이하로 할 것
③ 출입구에는 출입금지 표시 및 자물쇠 등 기타 적당한 장치를 할 것
④ 35㎸ 이하 전압에서는 울타리·담 등의 높이와 울타리·담 등으로부터 충전 부분까지의 거리의 합계는 5m 이상일 것
94. 전시설비기술기준의 판단기준에서 저압전로에 시설하는 보호장치의 확실한 동작을 확보하기 위하여 특히 필요한 경우에 전로의 중점에 접지공사를 할 경우 접지선의 공칭단면적은 몇 ㎟ 이상의 연동선으로 사용하여야 하는가?
① 4
② 6
③ 10
④ 16
95. 다음 중 신에너지 해당되지 않는 것은?
① 수소에너지
② 태양에너지
③ 연료전지
④ 석탄을 액화·가스화한 에너지
96. 전기설비기술기준의 판단기준에서 분산형전원을 계통 연계하는 경우 전력계통의 단락용량이 전선의 순시허용전류를 상회할 우려가 있을 때에 시설해야 하는 장치로 가장 옳은 것은?
① 지락차단기
② 영상변류기
③ 한류리액터
④ 과전류차단기
97. 온실가스 배출량 및 에너지 소비량에 관한 명세서를 작성할 때 포함되는 사항이 아닌 것은?
① 명세서에 관한 품질관리 절차
② 온실가스 감축·흡수·제거 실적
③ 업체의 규모, 생산설비, 제품원료 및 생산량
④ 생산공정과 생산설비로 구분한 온실가스 배출량·종류 및 규모
98. 전기공사업법에서 공사업자가 아니어도 도급 받거나 시공할 수 있는 대통령령으로 정하는 경미한 전기공사가 아닌 것은?
① 특고압 차단기 및 변압기 교체공사
② 전력량계 또는 퓨즈를 부착하거나 떼어내는 공사
③ 꽂음접속기, 소켓, 로제트, 실링블록, 접속기, 전구류, 나이프스위치, 그 밖에 개폐기의 보수 및 교환에 관한 공사
④ 벨, 인터폰, 장식전구, 그 밖에 이와 비슷한 시설에 사용되는 소형변압기(2차측 전압 36볼트 이하의 것으로 한정한다)의 설치 및 그 2차측 공사
99. 정부는 지속가능발전과 관련된 국제적 합의를 성실히 이행하고, 국가의 지속가능발전을 촉진하기 위하여 몇 년을 계획기간으로 하는 지속가능발전기본계획을 5년마다 수립·시행하여야 하는가?
① 10
② 20
③ 30
④ 50
100. 공급인증기관이 제정하는 공급인증서 발급 및 거래시장 운영에 관한 규칙 사항이 아닌 것은?
① 공급인증서의 거래방법에 관한 사항
② 공급인증서 가격의 결정방법에 관한 사항
③ 신·재생에너지 사용량의 증명에 관한 사항
④ 공급인증서 거래의 정산 및 결제에 관한 사항
'ExamData' 카테고리의 다른 글
| 2019년 2회 신재생에너지발전설비기사(태양광) 기출문제 (필기시험, 4월 27일 시행) (1) | 2024.04.14 |
|---|---|
| 2019년 1회 신재생에너지발전설비기사(태양광) 기출문제 (필기시험, 3월 3일 시행) (0) | 2024.04.14 |
| 2018년 2회 신재생에너지발전설비기사(태양광) 기출문제 (필기시험, 4월 28일 시행) (0) | 2024.04.13 |
| 2018년 1회 신재생에너지발전설비기사(태양광) 기출문제 (필기시험, 3월 4일 시행) (1) | 2024.04.12 |
| 2017년 4회 신재생에너지발전설비기사(태양광) 기출문제 (필기시험, 9월 23일 시행) (0) | 2024.04.12 |






