2009년 2회 건축산업기사 기출문제 (필기시험, 5월 10일 시행)
ExamData 2024. 4. 29. 00:012009년 2회 건축산업기사 필기시험은 수탁 기관인 한국산업인력공단 시행 기능·기술 분야 기사, 산업기사 등급 및 서비스 분야 국가기술자격 정기검정 2회 필기 시험일인 5월 10일에 시행되었습니다.
도타비 문제은행의 건축산업기사 필기 기출문제 모의고사에 수록된 2009년 2회 건축산업기사 필기시험 기출문제 CBT는 회원 가입 등의 번거로운 절차 없이 인터넷 환경에서 PC 또는 모바일 기기 등을 이용하여 문제를 풀고 자동으로 채점한 후 틀린 문제 다시 풀기 등의 추가학습 기능이 탑재되어 있으며, 문제 파일이 첨부되어 있습니다.
도타비 문제은행의 건축산업기사 필기 기출문제 모의고사 CBT에서는 연도별 자격시험 시행 회차별로 분류한 CBT와 랜덤 모의고사를 활용할 수 있습니다.
■ 2009년 2회 건축산업기사 필기 기출문제 CBT 응시, 문제 파일 내려받기 (↓)
2009년 2회 건축산업기사 필기 기출문제 CBT
2009년 2회 건축산업기사
www.gunsys.com
■ 도타비 문제은행 건축산업기사 필기 기출문제 모의고사, CBT (↓)
도타비 문제은행 :: 건축산업기사 필기 기출문제 모의고사, CBT
건축산업기사 필기시험 기출문제 모의고사, CBT
www.gunsys.com
■ 2009년 2회 건축산업기사 필기 기출문제 (↓)

1. 공장건축 중 무창공장에 대한 설명으로 옳지 않은 것은?
가. 온·습도의 조절이 유창공장에 비해 어렵다.
나. 방적공장 등에서 무창공장형식이 사용된다.
다. 공장 내 조도가 일정해진다.
라. 외부로부터 자극이 적으나 오히려 실내 발생 소음은 커진다.
2. 사무소의 실단위 계획에서 오피스 랜드스케이핑(Office Landscaping)에 대한 설명으로 옳지 않은 것은?
가. 독립성과 쾌적감의 이점이 있다.
나. 커뮤니케이션의 융통성이 있다.
다. 소음 발생에 대한 대책이 요구된다.
라. 공간의 이용도를 높이고 공사비도 줄일 수가 있다.
3. 아파트 건축의 각종 평면 형식에 대한 설명 중 옳지 않은 것은?
가. 호형 - 프라이버시가 좋고 통행부 면적이 작다.
나. 편복도형 - 복도가 개방형이므로 각호의 통풍 및 채광상 양호하다.
다. 중복도형 - 프라이버시가 좋지 않으며, 시끄럽다.
라. 집중형 - 복도 부분에 있어 채광, 통풍이 좋다.
4. 전면유리로 되어 있어 일반 상점가에 많이 사용되는 숍 프론트(shop front) 형식은?
가. 개방형
나. 폐쇄형
다. 혼합형
라. 분리형
5. 복층형 아파트에 대한 설명으로 옳지 않은 것은?
가. 유효면적을 증가시킬 수 있으므로 50㎡ 이하의 주거 형식에 경제적이다.
나. 엘리베이터의 정지층 수를 적게 할 수 있다.
다. 주, 야간별 생활공간을 층별로 나눌 수 있다.
라. 양면개구에 의한 일조 및 통풍이 좋다.
6. 초등학교 교사의 출입구에 관한 설명 중 옳지 않은 것은?
가. 비상구는 중정으로 통하게 배치하는 것이 좋다.
나. 강당, 체육관의 출입구는 피난에 적합하여야 한다.
다. 교실의 출입구는 일반적으로 두 곳을 둔다.
라. 강당의 출입구는 일반인의 이용도 생각해서 배치한다.
7. 학교의 특별교실 계획에 대한 설명 중 옳지 않은 것은?
가. 음악교실은 적당한 잔향시간을 갖도록 계획한다.
나. 자연과학교실은 실험에 따른 유독가스의 처리에 주의한다.
다. 미술교실은 균일한 조도를 얻을 수 있도록 남측 채광을 사입한다.
라. 가사 실습실은 후드와 같은 장치를 설치하며, 배기시설에 유의한다.
8. 건물의 계획 시 모듈을 설정하여 척도를 조정함으로써 얻게 되는 이점과 가장 거리가 먼 것은?
가. 건축구성재의 생산비용이 낮아질 수 있다.
나. 형태가 다양해진다.
다. 미적 질서를 가질 수 있다.
라. 공사기간이 단축될 수 있다.
9. 주택의 각 실 공간계획에 대한 설명 중 옳지 않은 것은?
가. 거실이 통로로서 사용되는 평면배치는 피한다.
나. 식사실은 가족 수 및 식탁배치 등에 따라 크기가 결정된다.
다. 부엌은 밝고, 관리가 용이한 곳에 위치시킨다.
라. 부부침실은 주간 생활을 위하여 아동침실에 비해 밝고, 전망 좋은 곳에 위치시킨다.
10. 다음의 백화점 에스컬레이터 배치방식 중 매장에 대한 고객의 시야가 가장 제한되는 방식은?
가. 직렬식
나. 병렬단속식
다. 병렬연속식
라. 교차식
11. 공장의 작업장 Layout의 계획 시 다품종 소량생산이나 주문 생산의 경우와 표준화가 행해지기 어려운 경우 채용되는 형식으로 가장 적합한 것은?
가. 제품 중심의 Layout
나. 고정식 Layout
다. 공정 중심의 Layout
라. 혼성식 Layout
12. 다음의 테라스 하우스에 대한 설명 중 옳지 않은 것은?
가. 각 가구마다 정원을 확보할 수 있다.
나. 모든 유형에서 각 가구마다 지하실을 설치할 수 있다.
다. 시각적인 인공테라스형은 일반적으로 위층으로 갈수록 건물의 내부가 작아진다.
라. 자연형 테라스 하우스는 경사지를 이용하여 지형에 따라 건물을 테라스형으로 축조한 것이다.
13. 사무소 건축의 기준층 계획에 관한 설명 중 옳지 않은 것은?
가. 다른 평면계획에 우선하여 계획되어야 한다.
나. 기준층의 높이는 3.3~3.5m 정도로 하여도 좋다.
다. 사무실을 중심으로 하는 집무 공간을 기준층으로 한다.
라. 기준층을 코어시스템으로 하는 경우 복도 면적이 증가하므로 렌터블비(rentable ratio)가 감소된다.
14. 다음 중 주택 부엌의 작업 삼각형(work triangle)의 길이로 가장 적당한 것은?
가. 2.5m
나. 5.0m
다. 8.0m
라. 9.5m
15. 다음의 학교운영방식 중 한국의 중 고등학교에서 가장 많이 채택하고 있는 것은?
가. 플라툰형(P형)
나. 달톤형(D형)
다. 교과교실형(V형)
라. 일반교실 및 특별교실형(U·V형)
16. 사무소 기준층 층고의 결정 요인과 가장 관계가 먼 것은?
가. 엘리베이터 크기
나. 채광
다. 공기조화(Air Conditioning)
라. 사무실의 깊이
17. 상점계획에 관한 설명 중 옳지 않은 것은?
가. 고객 동선과 상품 동선이 교차되는 것을 피하도록 한다.
나. 쇼윈도우 유리면의 눈부심을 방지하기 위하여 쇼윈도우 만의 밝기를 낮게 한다.
다. 쇼윈도우의 바닥높이는 상품이 큰 경우에는 낮게, 작은 경우에는 높게 하는 것이 일반적이다.
라. 대면 판매형식은 판매원이 통로를 차지하여 진열 면적이 감소된다.
18. 상점계획에 대한 설명 중 옳지 않은 것은?
가. 쇼윈도우는 간판, 입구, 파사드(facade), 광고 등을 포함하여 점포 전체의 얼굴이다.
나. 쇼윈도우의 크기는 상점의 종류, 전면 길이 및 부지조건에 따라 다르다.
다. 상점 바닥면은 보도면에서 자유스럽게 유도될 수 있도록 계획한다.
라. 고객 동선은 가능한 한 길게 종업원의 동선은 가능한 한 짧게 한다.
19. 사무소 건축의 코어에 대한 설명 중 오지 않은 것은?
가. 코어 내의 공간과 임대사무실 사이의 동선은 간단하게 한다.
나. 엘리베이터는 가급적 중앙에 집중시켜 배치한다.
다. 코어 내의 각 공간이 각 층마다 동일한 위치에 있지 않도록 한다.
라. 계단과 엘리베이터 및 화장실은 가능한 한 접근시켜 배치한다.
20. 다음 근린생활권의 주택지의 단위 중 가장 기본이 되는 최소한의 단위는?
가. 근린주구
나. 근린분구
다. 커뮤니티 센터
라. 인보구
21. 슬래브에서 4번 고정인 경우 철근 배근을 가장 많이 하여야 하는 부분은?
가. 단변 방향의 주간대
나. 단변 방향의 주열대
다. 장변 방향의 주간대
라. 장변 방향의 주열대
22. 다음 중 지반개량 공법이 아닌 것은?
가. 샌드컴팩션파일 공법
나. 바이브로플로테이션 공법
다. 페이퍼드레인 공법
라. 트렌치 컷 공법
23. 다음 중 회반죽의 재료가 아닌 것은?
가. 명반
나. 해초풀
다. 여물
라. 모래
24. 방수공사용 아스팔트 재료의 성질에 관한 설명으로 옳지 않은 것은?
가. 인화점 : 아스팔트를 가열하여 불을 대는 순간 불이 붙을 때의 온도이다.
나. 연화점 : 아스팔트를 가열하여 액상의 점도에 도달했을 때의 온도이다.
다. 침입도 : 아스팔트의 연성을 침(針)의 관입저항으로 평가한 것이다.
라. 감온성 : 온도에 따른 견고성의 변화 정도를 나타낸 것이다.
25. 목재의 비중에 있어서 공극률(%)을 산출하는 공식으로 옳은 것은? (단, γ는 절대건조비중)

26. 매스콘크리트(Mass Concrete)에 대한 설명 중 옳지 않은 것은?
가. 부어 넣는 콘크리트의 온도는 가능한 한 저온(일반적으로 35℃ 이하)으로 해야 한다.
나. 거푸집널 및 보온을 위하여 사용한 재료는 콘크리트 표면부의 온도와 외기온도와의 차이가 작아지면 해체한다.
다. 부어넣기 중의 이어붓기 시간 간격은 외기온이 25℃ 미만에 서는 150분, 2℃ 이상에서는 120분으로 한다.
라. 내부 온도가 상승하고 있는 기간은 표면부의 온도가 급속히 냉각되지 않도록 한다.
27. 네트워크(Network) 공정표에서 더미(Dummy)에 관한 설명으로 옳은 것은?
가. 작업의 상호관계만을 표시하는 점선 화살표
나. 네트워크의 결합점 및 개시점·종료점
다. 작업을 수행하는데 필요한 시간
라. 작업의 여유시간
28. 지반개량 또는 지반 안정 공법에 관한 설명으로 옳지 않은 것은?
가. vibro flotation 공법은 주로 점토질 지반을 진동시켜 굳히는 공법이다.
나. grouting 공법은 지반 내부의 공극에 시멘트페이스트를 주입하여 고결시키는 공법이다.
다. sand drain 공법은 적당한 간격으로 모래말뚝을 형성하고, 그 지반 위에 하중을 가하여 지반 중의 물을 유출시키는 공법이다.
라. paper drain 공법은 모래 대신에 흡수지를 삽입하여 지반의 물을 뽑아내는 공법이다.
29. 지름 15㎝, 높이 30㎝인 원주형 콘크리트 공시체를 사용하여 압축강도시험을 한 결과 최대하중이 500kN이었다면 이 콘크리트 압축강도는?
가. 11.7MPa
나. 22.2MPa
다. 28.3MPa
라. 35.4MPa
30. 철근콘크리트 구조의 기둥과 보에 대한 피복두께는 콘크리트 표면에서 어느 철근의 외면까지의 길이를 말하는가? (단, 띠철근과 스터럽을 사용하는 경우)
가. 기둥=주근, 보=주근
나. 기둥=주근, 보=스터럽
다. 기둥=띠철근, 보=주근
라. 기둥=띠철근, 보=스터럽
31. 다음 중 국내에서 사용하는 고강도 콘크리트의 설계기준강도는?
가. 보통콘크리트 - 27N/㎟ 이상, 경량콘크리트 - 21N/㎟ 이상
나. 보통콘크리트 - 30N/㎟ 이상, 경량콘크리트 - 24N/㎟ 이상
다. 보통콘크리트 - 33N/㎟ 이상, 경량콘크리트 - 27N/㎟ 이상
라. 보통콘크리트 - 40N/㎟ 이상, 경량콘크리트 - 27N/㎟ 이상
32. 벽돌쌓기의 일반적인 설명으로 옳지 않은 것은?
가. 벽돌쌓기는 시방서에서 정한 바가 없을 때에는 불식쌓기로 한다.
나. 연속되는 벽면의 일부를 트이게 하여 나중쌓기로 할 때에는 그 부분을 층단들여쌓기로 한다.
다. 하루의 쌓기 높이는 1.2m를 표준으로 한다.
라. 세로줄눈은 통줄눈이 되지 않도록 한다.
33. 건설공사에서 입찰과 계약에 관한 사항 중 옳지 않은 것은?
가. 공개경쟁 입찰은 공사가 조잡해질 염려가 있다.
나. 지명입찰은 시공상 신뢰성이 적다.
다. 지명입찰은 낙찰자가 소수로 한정되어 담합과 같은 폐해가 발생하기 쉽다.
라. 특명입찰은 단일 수급자를 선정하여 발주하는 것을 말한다.
34. 미장공사에 대한 용어 설명 중 옳지 않은 것은?
가. 고름질 : 마감 두께가 두꺼울 때 혹은 요철이 심할 때 초벌 바름 위에 발라 붙여주는 것
나. 바탕 처리 : 요철 또는 변형이 심한 개소를 고르게 손질바름하여 마감 두께가 균등하게 되도록 조정하는 것
다. 덧먹임 : 균열의 틈새, 구멍 등에 반죽된 재료를 밀어 넣어 때워 주는 것
라. 결합재 : 화학약품으로 소량 사용하는 AE제, 감수제 등의 재료
35. 철근콘크리트 공사에 있어서 철근의 정착위치로 옳지 않은 것은?
가. 기둥의 주근은 기초에
나. 보의 주근은 기둥에
다. 바닥철근은 보 또는 벽체에
라. 지중보의 주근은 슬래브에
36. 공사 현장에서 시멘트 창고를 설치할 경우 주의사항으로 옳지 않은 것은?
가. 창고의 마룻바닥과 지면 사이에 30㎝ 정도의 거리를 두는 것이 좋다.
나. 반입구와 반출구는 따로 두고 먼저 쌓은 것부터 사용하도록 한다.
다. 출입구 채광창 이외에 공기의 유통을 목적으로 환기창을 설치한다.
라. 주위에 배수로를 두어 침수를 방지한다.
37. 다음 중 서중 콘크리트의 일반적인 문제점에 대한 설명으로 옳지 않은 것은?
가. 슬럼프의 저하가 크다.
나. 동일 슬럼프를 얻기 위한 단위수량이 많다.
다. 콜드조인트가 발생하기 쉽다.
라. 초기강도의 발현이 낮다.
38. 다음 각 유리의 특징에 대한 설명으로 옳지 않은 것은?
가. 망입유리는 판유리 가운데에 금속망을 넣어 압착 성형한 유리로 방화 및 방재용으로 사용된다.
나. 강화유리는 후판유리를 약 500~60℃로 가열한 후 급속히 냉각 강화하여 만든 유리로 선박, 차량, 출입구 등에 사용된다.
다. 접합유리는 2장 또는 그 이상의 판유리에 특수필름을 삽입하여 접착시킨 안전유리로서 파손되어도 파편이 발생하지 않는다.
라. 복층유리는 2~3장의 판유리를 밀착하여 만든 유리로서 단열·방서·방음용으로 사용된다.
39. 수밀 콘크리트 배합에 관한 설명 중 옳지 않은 것은?
가. 배합은 콘크리트의 소요 품질이 얻어지는 범위 내에서 단위 굵은골재량은 가급적 적게 한다.
나. 콘크리트의 소요 슬럼프는 가급적 적게하고, 180㎜를 넘지 않도록 한다.
다. 혼화제를 사용하는 경우에는 공기량이 4% 이하가 되게 한다.
라. 배합은 콘크리트의 소요 품질이 얻어지는 범위 내에서 물-시멘트비를 가급적 적게 한다.
40. 커튼월은 필요한 경우에는 실물모형시험(mock-up test)을 통하여 성능시험을 하는데, 여기서 실시하는 시험종목이 아닌 것은?
가. 내화시험
나. 기밀시험
다. 수밀시험
라. 구조시험
41. 강도설계법에서 b=30cm, d=50cm인 단근 직사각형보의 인장철근비가 p=0.0135이면 인장철근량은?
가. 18.0㎤
나. 20.25㎤
다. 22.5㎤
라. 24.5㎤
42. 다음 중 P.C 구조의 특성이 아닌 것은?
가. 기계화시공으로 공기가 단축된다.
나. 동계공사가 가능하다.
다. 가설물이 적게 요구된다.
라. 다양한 평면에 적합하며 접합부 강성이 뛰어나다.
43. 그림과 같은 단면을 가진 기둥의 양단이 핀으로 지지되었을 경우 약축에 대한 세장비가 100이 되려면 필요한 기둥의 길이는?

가. 2.67m
나. 2.75m
다. 2.89m
라. 2.98m
44. 기초에서 부동침하(uneven settlement)의 원인이 아닌 것은?
가. 연약층
나. 잡석지정
다. 이질지층
라. 경사지반
45. 강도설계법에서 압축을 받는 이형철근의 기본 정착길이로 옳은 것은? (단, fy=400MPa, fck=21MPa, 철근은 D19임)
가. 300㎜
나. 415㎜
다. 480㎜
라. 570㎜
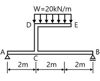
46. 그림과 같은 정정구조물에서 DE 부재에 작용하는 축력은?

가. 0
나. 20kN
다. 40kN
라. 120kN
47. 강도설계법에 의하여 다음 그림과 같은 철근콘크리트보를 설계할 때 등가응력블록깊이 a는? (단, U=24MPa, fy=400MPa, D22 철근 1개의 단면적은 387㎟)

가. 101.2㎜
나. 111.2㎜
다. 121.2㎜
라. 131.2㎜
48. 그림과 같이 경사진 단순보의 A점의 반력값은?

가. Hᴀ=40kN, Vᴀ=20kN
나. Hᴀ=20kN, Vᴀ=40kN
다. Hᴀ=40kN, Vᴀ=60kN
라. Hᴀ=60kN, Vᴀ=40kN
49. 철골구조의 모살용접에서 유효폭 두께는 모살 사이즈의 몇 배 인가?
가. 1.4배
나. 1.0배
다. 0.7배
라. 0.5배
50. 강도설계법에 의한 설계 시 그림과 같은 띠철근기둥의 최대 설계 축하중은? (단, fck=21MPa, fy=400MPa, 강도감소계수는 0.7임)

가. 2590kN
나. 3890kN
다. 4150kN
라. 4500kN
51. 유효두께 d=400㎜인 철근콘크리트 기초판에서 2방향 전단에 저항하기 위한 위험단면의 둘레 길이는? (단, 기둥의 단면은 500×500㎜)
가. 1600㎜
나. 2000㎜
다. 3000㎜
라. 3600㎜
52. 철근콘크리트 보의 배근에 관한 설명 중 옳지 않은 것은?
가. 단순보의 주근은 중앙부 하단에 배근한다.
나. 인장 측에만 철근을 넣은 보를 단근보라 하며, 압축 측도 철근을 배근한 것을 복근보라 한다.
다. 캔틸레버보의 주근은 하단에 많이 배근하는 것이 좋다.
라. 보의 늑근(stirrup)은 단부에 많이 오도록 배치한다.
53. A 지점의 반력의 크기와 방향으로 옳은 것은?

가. 10kN(↑)
나. 10kN(↓)
다. 20kN(↑)
라. 20kN(↓)
54. 그림과 같이 단면이 균일한 캔틸레버보의 끝단에 하중 P가 작용하며 x만큼의 변위가 발생하였다. 같은 하중에서 끝단의 처짐이 6x가 되기 위해서는 보의 길이를 기존 길이의 몇 배로 해야 하는가?

가. 1.62배
나. 1.82배
다. 2.02배
라. 2.22배
55. 그림에서 두 힘의 합력의 크기는?

가. 60kN
나. 50kN
다. 40kN
라. 30kN
56. 다음 그림에서 중앙부 T형의 보의 유효폭 b 값은? (단, 보의 스팬은 8.4m이다.)

가. 4250㎜
나. 3150㎜
다. 2800㎜
라. 2100㎜
57. 다음과 같은 상하단의 지지조건을 가지는 압축재의 유효좌굴길이를 구하면?

가. 0.5h
나. 0.7h
다. 1.0h
라. 2.0h
58. 그림과 같은 단면의 X축에 대한 단면 1차 모멘트는?

가. 2160㎤
나. 2260㎤
다. 2360㎤
라. 2460㎤
59. 단면적이 1000㎟이고, 길이는 2m인 균질한 재료로 된 철근에 재축 방향으로 100kN의 인장력을 작용시켰을 때 늘어난 길이는? (단, 탄성계수는 2.0×10⁵MPa 임)
가. 1㎜
나. 0.1㎜
다. 0.01 ㎜
라. 0.001㎜
60. 강도설계법에 의한 철근콘크리트 1방향 슬래브 설계에서 양단연속인 경우 처짐을 계산하지 않아도 되는 슬래브의 최소 두께는? (단, 보통콘크리트와 fy=400MPa 철근사용)
가. ℓ/16
나. ℓ/24
다. ℓ/28
라. ℓ/32
61. 옥내의 건조한 콘크리트 바닥면에 매입 사용되며, 사무용 빌딩에 채용되고 있으며, 강·약전을 동시에 배선할 수 있는 2로, 3로 방식도 가능한 배선 공사는?
가. 금속덕트 공사
나. 합성수지 몰드 공사
다. 금속몰드 공사
라. 플로어덕트 공사
62. 다음의 덕트의 부속기기에 대한 설명 중 옳지 않은 것은?
가. 스플릿 댐퍼는 대형 덕트의 개폐용으로 사용되며, 풍량 조절 기능은 없다.
나. 버터플라이 댐퍼는 주로 소형 덕트에서 개폐용으로 사용되며, 풍량 조절용으로도 사용된다.
다. 방화 댐퍼는 화재가 발생했을 때 덕트를 통해 다른 곳으로 화재가 번지는 것을 방지하기 위하여 사용된다.
라. 방염 댐퍼는 연기감지기와 연동으로 되어 있으며 다른 구역으로 연기의 침투를 방지한다.
63. 증기난방에 사용되는 방열기의 표준 방열량은?
가. 0.523㎾/㎡
나. 0.650㎾/㎡
다. 0.756㎾/㎡
라. 0.924㎾/㎡
64. 연결송수관 설비의 주배관의 구경은 최소 몇 ㎜ 이상으로 하여야 하는가?
가. 50㎜
나. 65㎜
다. 80㎜
라. 100㎜
65. 배수관의 관경 산정에 대한 설명 중 옳지 않은 것은?
가. 배수 수직관의 관경은 이것에 접속하는 배수 수평지관의 최대관경보다 작게 한다.
나. 배수 수평지관의 관경은 이것에 접속하는 기구배수관의 최대관경 이상으로 한다.
다. 배수관은 배수의 유하 방향으로 관경을 축소해서는 안된다.
라. 기구배수관의 관경은 이것에 접속하는 위생기구의 트랩 구경 이상으로 한다.
66. 다음은 옥내소화전 설비의 가압송수장치에 대한 설명이다. ( ) 안에 알맞은 내용은?
소방대상물의 어느 층에 있어서도 당해 층의 옥내소화전(5 개 이상 설치된 경우에는 5개의 옥내소화전)을 동시에 사용할 경우 각 소화전의 노즐선단에서의 방수 압력이 ( ) 이상이 되는 성능의 것으로 할 것
가. 0.17MPa
나. 0.26MPa
다. 0.35MPa
라. 0.45MPa
67. 압력 수조식 급수 설계에서 최고층 수전까지의 수직 높이가 9[m]이고 관내 마찰손실수두가 5[m]일 때 최고층 수전의 급수에 필요한 최저 필요 압력은 얼마인가? (단, 최고층 수전의 소요 압력은 70kPa이며, 1mAq=10kPa)
가. 70kPa
나. 120kPa
다. 160kPa
라. 210kPa
68. 다음의 증기난방에 대한 설명 중 옳지 않은 것은?
가. 온수난방에 비해 한랭지에서 동결의 우려가 적다.
나. 온수난방에 비해 열용량이 크므로 예열시간이 길다.
다. 온수난방에 비해 방열기의 방열면적이 작다.
라. 운전 시 증기해머로 인한 소음을 일으키기 쉽다.
69. 다음의 급수방식에 대한 설명 중 옳은 것은?
가. 고가수조방식은 급수압력이 일정하다.
나. 수도직결방식은 정전 시 급수가 중단된다.
다. 압력수조방식은 정전 시 급수를 지속적으로 계속할 수 있다.
라. 고가수조방식은 위생성 및 유지 관리 측면에서 가장 바람직한 방식이다.
70. 다음 중 조명 설계의 순서에서 가장 먼저 이루어져야 하는 사항은?
가. 광원의 선정
나. 조명 방식의 선정
다. 소요 조도의 결정
라. 조명 기구의 결정
71. 다음 중 난방부하 계산에서 일반적으로 고려하지 않는 것은?
가. 인체의 발생 열량에 의한 인체부하
나. 유리창을 통한 관류부하
다. 외벽을 통한 관류부하
라. 도입외기에 의한 외기부하
72. 다음의 전류와 전압에 대한 설명 중 옳지 않은 것은?
가. 자유전자가 이동하는 것을 전류라고 한다.
나. 두 지점 간의 전하가 갖는 에너지의 차를 전압이라고 한다.
다. 두 지점 간의 전위차가 있으면 전류는 흐르게 된다.
라. 1분간에 1[C]의 전하가 이동하였을 때 1[A]의 전류가 흘렀다고 표현한다.
73. 할로겐램프에 대한 설명 중 옳지 않은 것은?
가. 연색성이 좋다.
나. 색온도의 저하가 극히 적다.
다. 흑화가 거의 일어나지 않는다.
라. 유리 부분의 오염이 없어 수명이 길고 휘도가 낮다.
74. 원심식 펌프의 일종으로 와권 케이싱과 회전차로 구성되며 온수 순환용으로 사용되는 펌프는?
가. 마찰 펌프
나. 베인 펌프
다. 볼류트 펌프
라. 기어 펌프
75. 벽체를 중심으로 실내외 공기의 온도 차가 있을 때, 고온의 공기로부터 저온의 고체 표면으로 열이 전달되고, 벽체 내부의 전도를 거쳐 다시 고체 표면에서 저온의 공기로 열이 전달되는 과정을 의미하는 것은?
가. 열대류
나. 열관류
다. 열흡수
라. 열복사
76. 다음과 같은 조건에서 연면적이 2000㎡인 사무소 건물에 필요한 1일당 급수량은?
- 건물의 유효면적비=56%
- 유효면적당 인원=0.2인/㎡
- 1인 1일당 급수량=120L
가. 3.36㎥/d
나. 4.36㎥/d
다. 26.8㎥/d
라. 40.68㎥/d
77. 습공기선도상에 다음과 같이 일어나는 상태변화 과정은?

가. 가열
나. 냉각
다. 가습
라. 감습
78. 변전실의 위치 선정 시 고려할 사랑으로 옳지 않은 것은?
가. 부하의 중심에 가깝고 배전에 편리한 장소일 것
나. 외부로부터 전원의 인입이 편리할 것
다. 지하 최저층으로 천장 높이가 3m 이상인 장소일 것
라. 기기를 반입, 반출하는데 지장이 없을 것
79. 인터폰의 접속 방식에 의한 구분으로 볼 수 없는 것은?
가. 모자식
나. 토크식
다. 상호식
라. 복합식
80. 220[V]의 전압을 가했을 때 8[A]의 전류가 흐른다면 저항은 몇 [Ω]인가?
가. 76[Ω]
나. 25[Ω]
다. 40[Ω]
라. 50[Ω]
81. 다음 중 제 1종 전용주거지역 안에서 건축할 수 있는 건축물에 속하지 않는 것은?
가. 단독주택 중 단독주택
나. 다중주택
다. 아파트
라. 공관
82. 공동주택의 신축 시 시간당 0.7회 이상의 환기가 이루어질 수 있도록 자연환기설비 또는 기계환기설비를 설치하여야 하는 공동주택의 규모 기준은? (단, 기숙사는 제외)
가. 50세대 이상
나. 80세대 이상
다. 100세대 이상
라. 150세대 이상
83. 다음 중 건축허가신청에 필요한 기본설계도서에 해당되지 않는 것은?
가. 시방서
나. 공정표
다. 평면도
라. 실내마감도
84. 건축물을 건축하거나 대수선하는 경우 국토해양부령으로 정하는 구조기준 및 구조계산에 따라 그 구조의 안전을 확인 하여야 하는 대상 건축물 기준으로 옳지 않은 것은?
가. 층수가 3층 이상인 건축물
나. 연면적이 1,000㎡ 이상인 건축물
다. 높이가 9m 이상인 건축물
라. 기둥과 기둥 사이의 거리가 10m 이상인 건축물
85. 건축공사 중 대통령령으로 정하는 용도 또는 규모의 공사의 공사감리자는 필요하다고 인정하면 공사시공자에게 상세시공도면을 작성하도록 요청할 수 있다. 다음 중 대통령령으로 정하는 용도 또는 규모의 공사 기준 내용으로 옳은 것은?
가. 3층 이상인 건축공사
나. 5층 이상인 건축공사
다. 연면적의 합계가 3,000㎥ 이상인 건축공사
라. 연면적의 합계가 5,000㎥ 이상인 건축공사
86. 다음 중 건축물의 건축에 관한 사항이 지방건축위원회의 심의 대상이 되는 건축물의 용도에 해당되지 않는 것은? (단, 층수는 10층이며 해당 용도로 쓰는 바닥면적의 합계가 5000㎡인 건축물)
가. 판매시설
나. 종교시설
다. 전시장
라. 종합병원
87. 다음의 노외주차장의 구조 및 설비기준에 관한 기준 내용 중 ( ) 안에 알맞은 내용은?
자주식 주차장으로서 지하식 또는 건축물식에 의한 노외주차장에는 바닥으로부터 85센티미터의 높이에 있는 지점이 평균 ( ) 이상의 조도를 유지할 수 있는 조명 장치를 설치하여야 한다.
가. 50룩스
나. 70룩스
다. 80룩스
라. 100룩스
88. 다음의 건축법상의 지하층의 정의에 관한 기준 내용 중 ( ) 안에 알맞은 내용은?
"지하층"이란 건축물의 바닥이 지표면 아래에 있는 층으로서 바닥에서 지표면까지 평균 높이가 해당 층 높이의 ( ) 이상인 것을 말한다.
가. 2분의 1
나. 3분의 1
다. 4분의 1
라. 3분의 2
89. 다음 중 방화구조에 해당하지 않는 것은?
가. 철망모르타르로서 그 바름두께가 1.5㎝인 것
나. 시멘트모르타르 위에 타일을 붙인 것으로서 그 두께의 합계가 2.5㎝인 것
다. 두께 1.2㎝의 석고판 위에 석면시멘트판을 붙인 것
라. 두께 2.5㎝의 암면보온판 위에 석면시멘트판을 붙인 것
90. 다음 중 9세대로 구성된 다세대주택에서 급수관 지름의 최소 기준은?
가. 32㎜
나. 40㎜
다. 50㎜
라. 60㎜
91. 다음 중 건축주가 건축물의 건축허가를 신청하는 경우 에너지 절약 계획서를 제출하여야 하는 대상 건축물에 속하지 않는 것은? (단, 당해 용도로 사용되는 바닥면적의 합계가 2000㎡인 건축물)
가. 업무시설
나. 숙박시설
다. 기숙사
라. 병원
92. 그림과 같은 대지에 있어 도로경계선에서 건축선까지의 거리 x로서 맞는 것은?

가. 1m
나. 2m
다. 3m
라. 4m
93. 막다른 도로의 길이가 8m인 경우, 이 도로가 건축법상 도로로 인정받기 위한 최소 너비는?
가. 2m
나. 3m
다. 4m
라. 5m
94. 주차장법상 주차전용건축물의 건폐율·용적률·대지면적의 최소한도 및 높이 제한에 대한 기준으로 옳지 않은 것은?
가. 건폐율 : 100분의 80 이하
나. 용적률 : 1천 500퍼센트 이하
다. 대지면적의 최소한도 : 45제곱미터 이상
라. 높이 제한 : 대지가 너비 12미터 미만의 도로에 접하는 경우 건축물의 각 부분의 높이는 그 부분으로부터 대지에 접한 도로의 반대쪽 경계선까지의 수평거리의 3배 이하
95. 주차형식이 45도 대향주차인 노외주차장에서 차로의 최소 너비는? (단, 출입구가 2개인 경우)
가. 3.3m
나. 3.5m
다. 4.5m
라. 5.0m
96. 다음 중 노외주차장의 출구 및 입구를 설치할 수 있는 장소는?
가. 너비가 3m인 도로(주차장의 주차대수가 100대인 경우)
나. 횡단보도에서 3m 떨어진 도로의 부분
다. 종단구배가 8%인 도로
라. 장애인복지시설의 출입구로부터 15m 떨어진 도로의 부분
97. 승용승강기의 설치기준이 가장 강화된 것부터 완화되어 있는 순서로 건축물의 용도를 옳게 나열한 것은?
가. 공동주택 - 관람장 - 위락시설
나. 공연장 - 위락시설 - 공동주택
다. 공동주택 - 숙박시설 - 병원
라. 위락시설 - 업무시설 - 도매시장
98. 기계식 주차장치의 안전 기준과 관련하여 중형기계식 주차장에 요구되 는 기계식 주차장치 출입구의 최소 크기는?
가. 2.3m(너비)×1.6m(높이)
나. 2.4m(너비)×1.6m(높이)
다. 2.4m(너비)×1.8m(높이)
라. 2.5m(너비)×1.8m(높이)
99. 주차장의 장애인전용 주차단위구획의 최소 크기는? (단, 평행주차형식 외의 경우)
가. 너비 2.3m, 길이 5.0m
나. 너비 2.5m, 길이 5.0m
다. 너비 2.3m, 길이 6.5m
라. 너비 3.3m, 길이 5.0m
100. 헬리포트의 설치기준 내용으로 오지 많은 것은?
가. 헬리포트의 길이는 15미터까지 감축할 수 있다.
나. 헬리포트의 너비는 220미터 이상을 원칙으로 한다.
다. 헬리포트의 주위한계선은 노란색으로 한다.
라. 헬리포트의 주위한계선의 너비는 38센티미터로 한다.
'ExamData' 카테고리의 다른 글
| 2024년 1회 네트워크관리사1급 기출문제 (필기시험, 4월 21일 시행) (0) | 2024.05.05 |
|---|---|
| 2024년 1회 유통관리사 2급, 3급 기출문제와 가답안 (5월 4일 시행) (0) | 2024.05.04 |
| 2008년 3회 건축산업기사 기출문제 (필기시험, 7월 27일 시행) (1) | 2024.04.24 |
| 2008년 1회 건축산업기사 기출문제 (필기시험, 3월 2일 시행) (1) | 2024.04.23 |
| 한국산업인력공단 시행 2024년 2회 기능사 필기 정기검정 종목별 현황 (응시인원, 합격인원) (1) | 2024.04.18 |






